HR32014XJ
MORE +
CLOSE +

NSK HR32014XJ

Metric Series Tapered Roller Bearings

(BRAND):NSK
(Availability):In Stock

Detailed data of

HR32014XJ

Designations

HR32014XJ

Dimension series

ISO 4CC ISO355 dimension series approx.

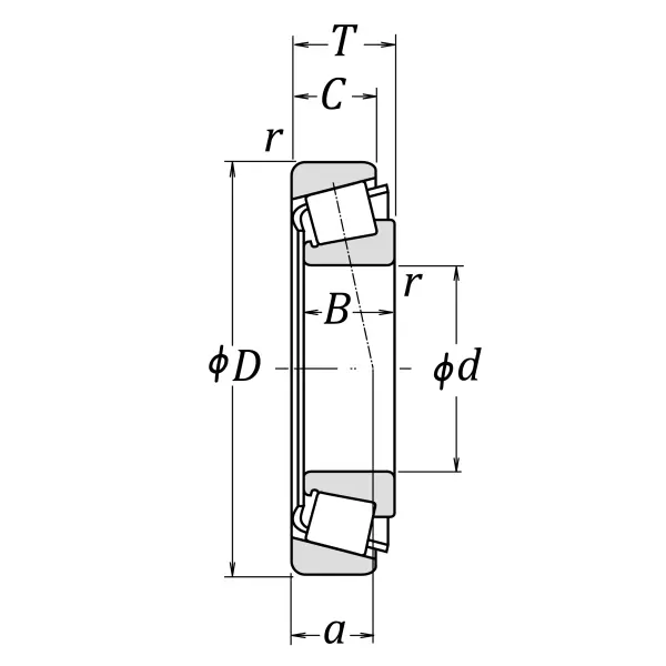
Boundary Dimensions

d 70 mm Bore diameter
D 110 mm Outside diameter
T 25 mm Total width
B 25 mm Width of inner ring
C 19 mm Width of outer ring
Cup r (min.) 1.5 mm Chamfer dimension of outer ring (Cup)
Cone r (min.) 1.5 mm Chamfer dimension of inner ring (Cone)

Basic Load Ratings

Cr 128000 N Basic dynamic load rating
C0r 158000 N Basic static load rating

Speeds

Grease 3200 min-1 Grease lubrication
Oil (Oil-bath) 4300 min-1 Oil-bath lubrication

a 23.7 mm Effective load center

Similar to product

HR32014XJ