HR32222J
MORE +
CLOSE +

NSK HR32222J

Metric Series Tapered Roller Bearings

(BRAND):NSK
(Availability):In Stock

Detailed data of

HR32222J

Designations

HR32222J

Dimension series

ISO 3FC ISO355 dimension series approx.

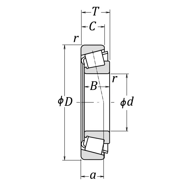
Boundary Dimensions

d 110 mm Bore diameter
D 200 mm Outside diameter
T 56 mm Total width
B 53 mm Width of inner ring
C 46 mm Width of outer ring
Cup r (min.) 2.5 mm Chamfer dimension of outer ring (Cup)
Cone r (min.) 3 mm Chamfer dimension of inner ring (Cone)

Basic Load Ratings

Cr 490000 N Basic dynamic load rating
C0r 565000 N Basic static load rating

Speeds

Grease 1800 min-1 Grease lubrication
Oil (Oil-bath) 2400 min-1 Oil-bath lubrication

a 47.2 mm Effective load center

Similar to product

HR32222J