HR32240J
MORE +
CLOSE +

NSK HR32240J

Metric Series Tapered Roller Bearings

(BRAND):NSK
(Availability):In Stock
(EMAIL):info@noksbearings.com

Detailed data of

HR32240J

Designations

HR32240J

Dimension series

ISO 3GD ISO355 dimension series approx.

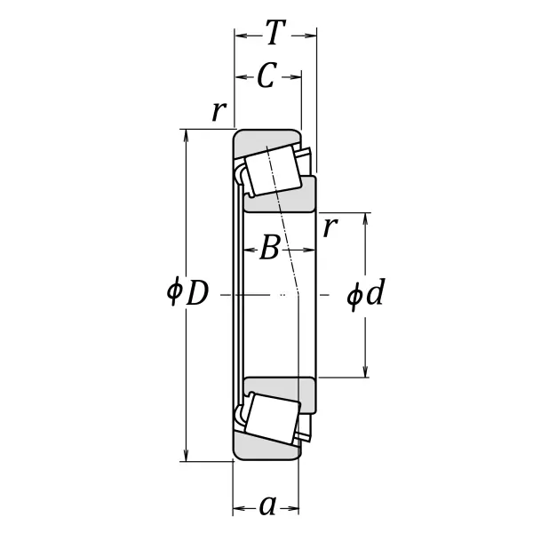
Boundary Dimensions

d 200 mm Bore diameter
D 360 mm Outside diameter
T 104 mm Total width
B 98 mm Width of inner ring
C 82 mm Width of outer ring
Cup r (min.) 4 mm Chamfer dimension of outer ring (Cup)
Cone r (min.) 5 mm Chamfer dimension of inner ring (Cone)

Basic Load Ratings

Cr 1480000 N Basic dynamic load rating
C0r 1920000 N Basic static load rating

Speeds

Grease 950 min-1 Grease lubrication
Oil (Oil-bath) 1300 min-1 Oil-bath lubrication

a 85.1 mm Effective load center

Similar to product

HR32240J