HR32305J
MORE +
CLOSE +

NSK HR32305J

Metric Series Tapered Roller Bearings

(BRAND):NSK
(Availability):In Stock
(EMAIL):info@noksbearings.com

Detailed data of

HR32305J

Designations

HR32305J

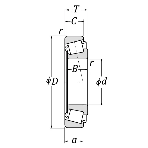
Dimension series

ISO 2FD ISO355 dimension series approx.

Boundary Dimensions

d 25 mm Bore diameter
D 62 mm Outside diameter
T 25.25 mm Total width
B 24 mm Width of inner ring
C 20 mm Width of outer ring
Cup r (min.) 1.5 mm Chamfer dimension of outer ring (Cup)
Cone r (min.) 1.5 mm Chamfer dimension of inner ring (Cone)

Basic Load Ratings

Cr 77000 N Basic dynamic load rating
C0r 66000 N Basic static load rating

Speeds

Grease 6300 min-1 Grease lubrication
Oil (Oil-bath) 8500 min-1 Oil-bath lubrication

a 15.6 mm Effective load center

Similar to product

HR32305J