HR32932J
MORE +
CLOSE +

NSK HR32932J

Metric Series Tapered Roller Bearings

(BRAND):NSK
(Availability):In Stock
(EMAIL):info@noksbearings.com

Detailed data of

HR32932J

Designations

HR32932J

Dimension series

ISO 2DC ISO355 dimension series approx.

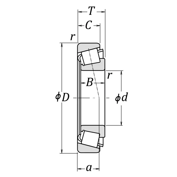
Boundary Dimensions

d 160 mm Bore diameter
D 220 mm Outside diameter
T 38 mm Total width
B 38 mm Width of inner ring
C 30 mm Width of outer ring
Cup r (min.) 2 mm Chamfer dimension of outer ring (Cup)
Cone r (min.) 2.5 mm Chamfer dimension of inner ring (Cone)

Basic Load Ratings

Cr 365000 N Basic dynamic load rating
C0r 570000 N Basic static load rating

Speeds

Grease 1400 min-1 Grease lubrication
Oil (Oil-bath) 1900 min-1 Oil-bath lubrication

a 38.7 mm Effective load center

Similar to product

HR32932J