Home
Brand
SKF
IKO
INA
FAG
KOYO
TIMKEN
NSK
NTN
PRECISION BEARINGS
MCGILL
THK
About us
Contact us
News
Search
Home
>
Brand
>
NSK
>
Bearings
>
Roller Bearings
>
Tapered Roller Bearings
>
Metric Series Tapered Roller Bearings
HR32956J
MORE +
CLOSE +
NSK HR32956J
Metric Series Tapered Roller Bearings
(BRAND):NSK
(Availability):In Stock
(EMAIL):info@noksbearings.com
REQUEST A QUOTE
Detailed data of Product
similar to product
Detailed data of
HR32956J
Metric Series Tapered Roller Bearings
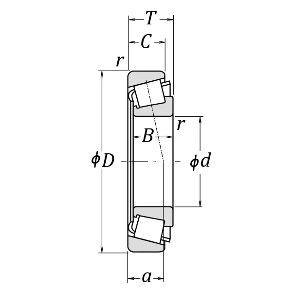
Designations
HR32956J
Dimension series
ISO
4EC
ISO355 dimension series approx.
Boundary Dimensions
d
280
mm
Bore diameter
D
380
mm
Outside diameter
T
63.5
mm
Total width
B
63.5
mm
Width of inner ring
C
48
mm
Width of outer ring
Cup r (min.)
2.5
mm
Chamfer dimension of outer ring (Cup)
Cone r (min.)
3
mm
Chamfer dimension of inner ring (Cone)
Basic Load Ratings
Cr
945000
N
Basic dynamic load rating
C0r
1580000
N
Basic static load rating
Speeds
Grease
800
min-1
Grease lubrication
Oil (Oil-bath)
1100
min-1
Oil-bath lubrication
a
75.3
mm
Effective load center
Similar to product
HR32956J
Metric Series Tapered Roller Bearings
HR32964J
Shell
Metric Series Tapered Roller Bearings
Read More
HR32064XJ
Shell
Metric Series Tapered Roller Bearings
Read More
30264
Shell
Metric Series Tapered Roller Bearings
Read More
32264
Shell
Metric Series Tapered Roller Bearings
Read More
32364
Shell
Metric Series Tapered Roller Bearings
Read More
32968
Shell
Metric Series Tapered Roller Bearings
Read More
HR32968J
Shell
Metric Series Tapered Roller Bearings
Read More
32068
Shell
Metric Series Tapered Roller Bearings
Read More
32972
Shell
Metric Series Tapered Roller Bearings
Read More
HR32972J
Shell
Metric Series Tapered Roller Bearings
Read More