N1019
MORE +
CLOSE +

NSK N1019

Single-Row Cylindrical Roller Bearings

(BRAND):NSK
(Availability):In Stock

Designations

N1019

Boundary Dimensions

d 95 mm Bore diameter
D 145 mm Outside diameter
B 24 mm Width
EW 132 mm Raceway diameter of outer ring
r (min.) 1.5 mm Chamfer dimension
r1 (min.) 1.1 mm Chamfer dimension

Basic Load Ratings

Cr 111000 N Basic dynamic load rating
C0r 120000 N Basic static load rating

Speeds

Thermal Speed Rating (Oil-bath) 5000 min-1 Oil-bath lubrication subject to conditions outlined in ISO 15312
Grease 4300 min-1 Grease lubrication
Oil (Oil-bath) 5300 min-1 Oil-bath lubrication

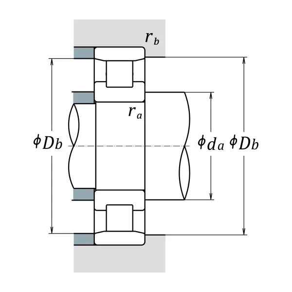
da (min.) 103 mm Diameter of shaft abutment
Db (min.) 134 mm Diameter of housing abutment
Db (max.) 138.5 mm Diameter of housing abutment
ra (max.) 1.5 mm Radius of shaft or housing fillet
rb (max.) 1 mm Radius of shaft or housing fillet

Abutment and Fillet Dimensions

Mass approx. 1.39 kg Mass approx.

Similar to product

N1019