N1034
MORE +
CLOSE +

NSK N1034

Single-Row Cylindrical Roller Bearings

(BRAND):NSK
(Availability):In Stock
(EMAIL):info@noksbearings.com

Designations

N1034

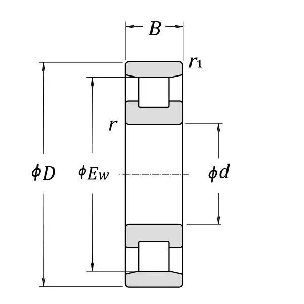
Boundary Dimensions

d 170 mm Bore diameter
D 260 mm Outside diameter
B 42 mm Width
EW 237 mm Raceway diameter of outer ring
r (min.) 2.1 mm Chamfer dimension
r1 (min.) 2.1 mm Chamfer dimension

Basic Load Ratings

Cr 355000 N Basic dynamic load rating
C0r 415000 N Basic static load rating

Speeds

Thermal Speed Rating (Oil-bath) 3200 min-1 Oil-bath lubrication subject to conditions outlined in ISO 15312
Grease 2400 min-1 Grease lubrication
Oil (Oil-bath) 2800 min-1 Oil-bath lubrication

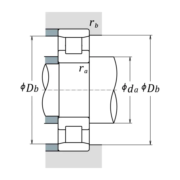
da (min.) 181 mm Diameter of shaft abutment
Db (min.) 240 mm Diameter of housing abutment
Db (max.) 249 mm Diameter of housing abutment
ra (max.) 2 mm Radius of shaft or housing fillet
rb (max.) 2 mm Radius of shaft or housing fillet

Abutment and Fillet Dimensions

Mass approx. 7.82 kg Mass approx.

Similar to product

N1034