N222M
MORE +
CLOSE +

NSK N222M

Single-Row Cylindrical Roller Bearings

(BRAND):NSK
(Availability):In Stock

Designations

N222M

Boundary Dimensions

d 110 mm Bore diameter
D 200 mm Outside diameter
B 38 mm Width
EW 178.5 mm Raceway diameter of outer ring
r (min.) 2.1 mm Chamfer dimension
r1 (min.) 2.1 mm Chamfer dimension

Basic Load Ratings

Cr 295000 N Basic dynamic load rating
C0r 290000 N Basic static load rating

Speeds

Thermal Speed Rating (Oil-bath) 4300 min-1 Oil-bath lubrication subject to conditions outlined in ISO 15312
Grease 3200 min-1 Grease lubrication
Oil (Oil-bath) 3800 min-1 Oil-bath lubrication

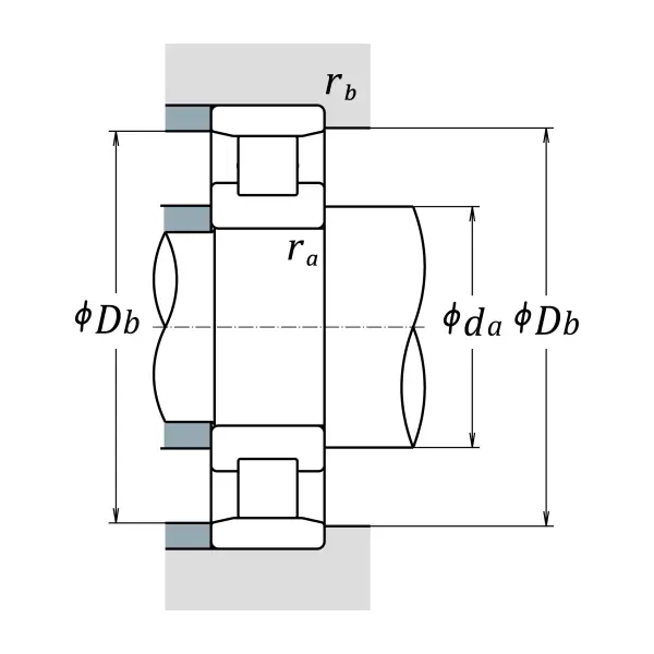
da (min.) 121 mm Diameter of shaft abutment
Db (min.) 182 mm Diameter of housing abutment
Db (max.) 189 mm Diameter of housing abutment
ra (max.) 2 mm Radius of shaft or housing fillet
rb (max.) 2 mm Radius of shaft or housing fillet

Abutment and Fillet Dimensions

Mass approx. 5.19 kg Mass approx.

Similar to product

N222M