N336M
MORE +
CLOSE +

NSK N336M

Single-Row Cylindrical Roller Bearings

(BRAND):NSK
(Availability):In Stock
(EMAIL):info@noksbearings.com

Designations

N336M

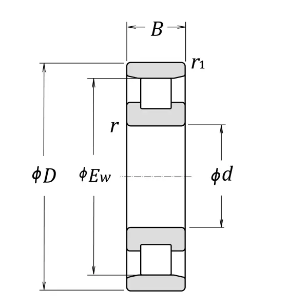
Boundary Dimensions

d 180 mm Bore diameter
D 380 mm Outside diameter
B 75 mm Width
EW 328 mm Raceway diameter of outer ring
r (min.) 4 mm Chamfer dimension
r1 (min.) 4 mm Chamfer dimension

Basic Load Ratings

Cr 1110000 N Basic dynamic load rating
C0r 1150000 N Basic static load rating

Speeds

Thermal Speed Rating (Oil-bath) 1700 min-1 Oil-bath lubrication subject to conditions outlined in ISO 15312
Grease 1500 min-1 Grease lubrication
Oil (Oil-bath) 1800 min-1 Oil-bath lubrication

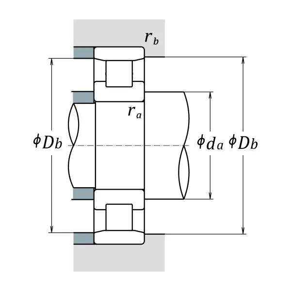
da (min.) 196 mm Diameter of shaft abutment
Db (min.) 335 mm Diameter of housing abutment
Db (max.) 364 mm Diameter of housing abutment
ra (max.) 3 mm Radius of shaft or housing fillet
rb (max.) 3 mm Radius of shaft or housing fillet

Abutment and Fillet Dimensions

Mass approx. 42.6 kg Mass approx.

Similar to product

N336M