NF1014
MORE +
CLOSE +

NSK NF1014

Single-Row Cylindrical Roller Bearings

(BRAND):NSK
(Availability):In Stock

Detailed data of

NF1014

Designations

NF1014

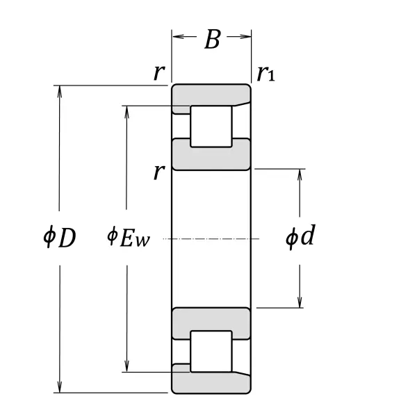
Boundary Dimensions

d 70 mm Bore diameter
D 110 mm Outside diameter
B 20 mm Width
EW 100 mm Raceway diameter of outer ring
r (min.) 1.1 mm Chamfer dimension
r1 (min.) 1 mm Chamfer dimension

Basic Load Ratings

Cr 71500 N Basic dynamic load rating
C0r 70500 N Basic static load rating

Speeds

Thermal Speed Rating (Oil-bath) 6300 min-1 Oil-bath lubrication subject to conditions outlined in ISO 15312
Grease 6000 min-1 Grease lubrication
Oil (Oil-bath) 7100 min-1 Oil-bath lubrication

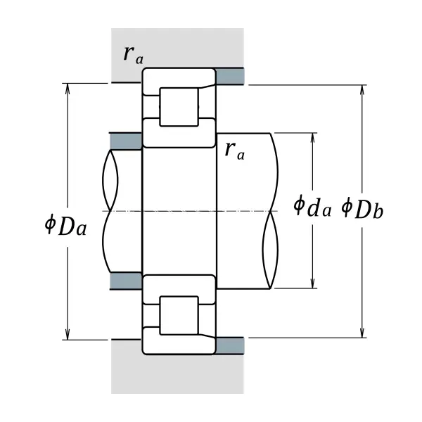
da (min.) 76.5 mm Diameter of shaft abutment
Db (min.) 102 mm Diameter of housing abutment
Da (max.) 103.5 mm Diameter of housing abutment
Db (max.) 105 mm Diameter of housing abutment
ra (max.) 1 mm Radius of shaft or housing fillet
rb (max.) 1 mm Radius of shaft or housing fillet

Abutment and Fillet Dimensions

Mass approx. 0.717 kg Mass approx.

Similar to product

NF1014