NF1032
MORE +
CLOSE +

NSK NF1032

Single-Row Cylindrical Roller Bearings

(BRAND):NSK
(Availability):In Stock

Detailed data of

NF1032

Designations

NF1032

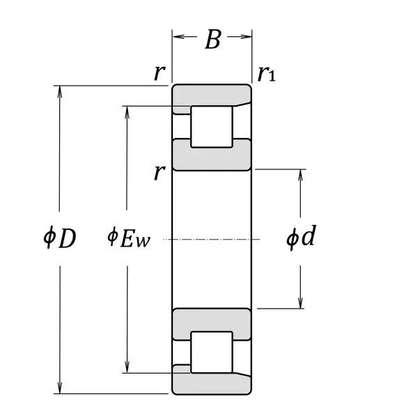
Boundary Dimensions

d 160 mm Bore diameter
D 240 mm Outside diameter
B 38 mm Width
EW 220 mm Raceway diameter of outer ring
r (min.) 2.1 mm Chamfer dimension
r1 (min.) 1.5 mm Chamfer dimension

Basic Load Ratings

Cr 292000 N Basic dynamic load rating
C0r 340000 N Basic static load rating

Speeds

Thermal Speed Rating (Oil-bath) 3400 min-1 Oil-bath lubrication subject to conditions outlined in ISO 15312
Grease 2600 min-1 Grease lubrication
Oil (Oil-bath) 3200 min-1 Oil-bath lubrication

da (min.) 171 mm Diameter of shaft abutment
Db (min.) 223 mm Diameter of housing abutment
Da (max.) 229 mm Diameter of housing abutment
Db (max.) 232 mm Diameter of housing abutment
ra (max.) 2 mm Radius of shaft or housing fillet
rb (max.) 1.5 mm Radius of shaft or housing fillet

Abutment and Fillet Dimensions

Mass approx. 5.96 kg Mass approx.

Similar to product

NF1032