NF1068
MORE +
CLOSE +

NSK NF1068

Single-Row Cylindrical Roller Bearings

(BRAND):NSK
(Availability):In Stock

Detailed data of

NF1068

Designations

NF1068

Boundary Dimensions

d 340 mm Bore diameter
D 520 mm Outside diameter
B 82 mm Width
EW 475 mm Raceway diameter of outer ring
r (min.) 5 mm Chamfer dimension
r1 (min.) 5 mm Chamfer dimension

Basic Load Ratings

Cr 1330000 N Basic dynamic load rating
C0r 1740000 N Basic static load rating

Speeds

Thermal Speed Rating (Oil-bath) 1400 min-1 Oil-bath lubrication subject to conditions outlined in ISO 15312
Grease 1100 min-1 Grease lubrication
Oil (Oil-bath) 1300 min-1 Oil-bath lubrication

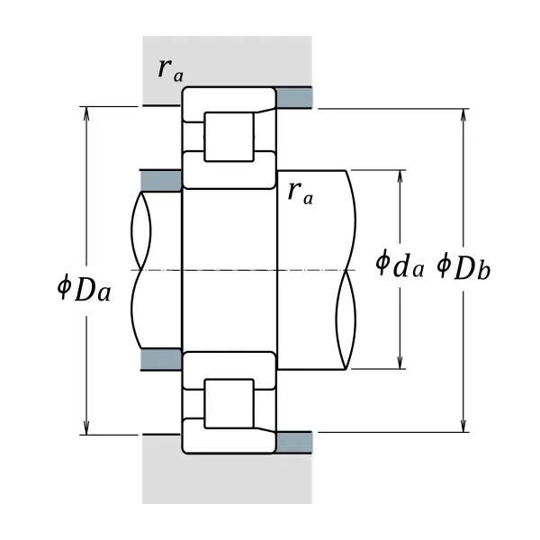
da (min.) 360 mm Diameter of shaft abutment
Db (min.) 479 mm Diameter of housing abutment
Da (max.) 500 mm Diameter of housing abutment
Db (max.) 500 mm Diameter of housing abutment
ra (max.) 4 mm Radius of shaft or housing fillet
rb (max.) 4 mm Radius of shaft or housing fillet

Abutment and Fillet Dimensions

Mass approx. 63.2 kg Mass approx.

Similar to product

NF1068