NF212W
MORE +
CLOSE +

NSK NF212W

Single-Row Cylindrical Roller Bearings

(BRAND):NSK
(Availability):In Stock

Detailed data of

NF212W

Designations

NF212W

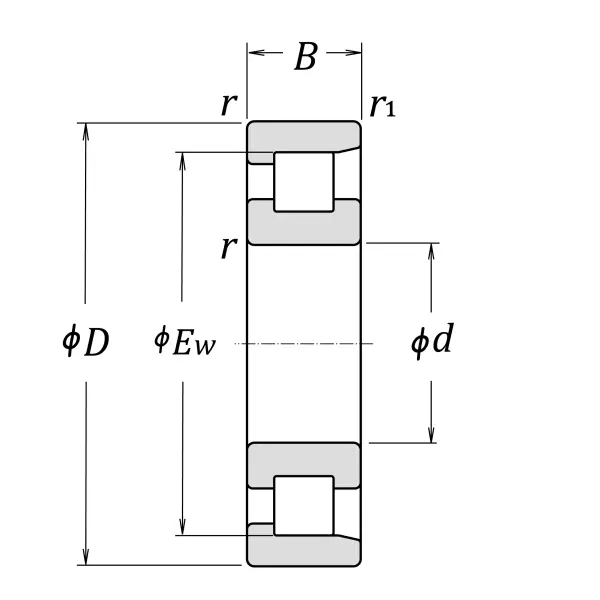
Boundary Dimensions

d 60 mm Bore diameter
D 110 mm Outside diameter
B 22 mm Width
EW 97.5 mm Raceway diameter of outer ring
r (min.) 1.5 mm Chamfer dimension
r1 (min.) 1.5 mm Chamfer dimension

Basic Load Ratings

Cr 84500 N Basic dynamic load rating
C0r 75000 N Basic static load rating

Speeds

Thermal Speed Rating (Oil-bath) 7100 min-1 Oil-bath lubrication subject to conditions outlined in ISO 15312
Grease 4800 min-1 Grease lubrication
Oil (Oil-bath) 5600 min-1 Oil-bath lubrication

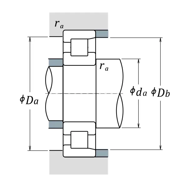
da (min.) 68 mm Diameter of shaft abutment
Db (min.) 100 mm Diameter of housing abutment
Da (max.) 102 mm Diameter of housing abutment
Db (max.) 102 mm Diameter of housing abutment
ra (max.) 1.5 mm Radius of shaft or housing fillet
rb (max.) 1.5 mm Radius of shaft or housing fillet

Abutment and Fillet Dimensions

Mass approx. 0.855 kg Mass approx.

Similar to product

NF212W