NF222M
MORE +
CLOSE +

NSK NF222M

Single-Row Cylindrical Roller Bearings

(BRAND):NSK
(Availability):In Stock

Detailed data of

NF222M

Designations

NF222M

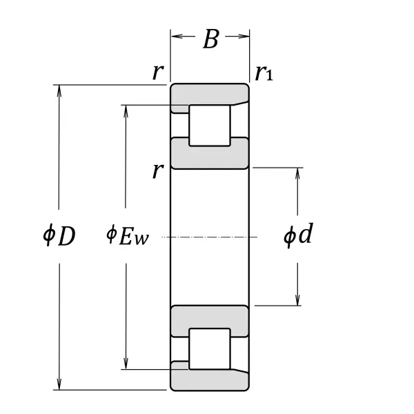
Boundary Dimensions

d 110 mm Bore diameter
D 200 mm Outside diameter
B 38 mm Width
EW 178.5 mm Raceway diameter of outer ring
r (min.) 2.1 mm Chamfer dimension
r1 (min.) 2.1 mm Chamfer dimension

Basic Load Ratings

Cr 295000 N Basic dynamic load rating
C0r 290000 N Basic static load rating

Speeds

Thermal Speed Rating (Oil-bath) 4300 min-1 Oil-bath lubrication subject to conditions outlined in ISO 15312
Grease 3200 min-1 Grease lubrication
Oil (Oil-bath) 3800 min-1 Oil-bath lubrication

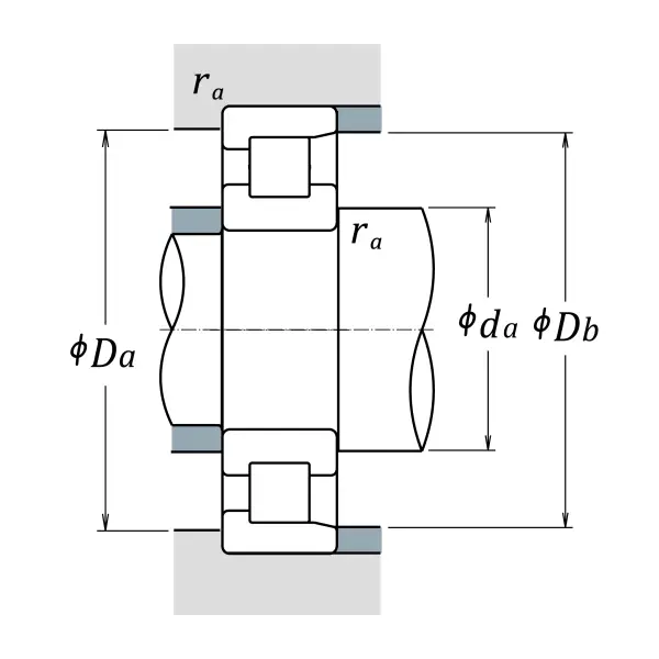
da (min.) 121 mm Diameter of shaft abutment
Db (min.) 182 mm Diameter of housing abutment
Da (max.) 189 mm Diameter of housing abutment
Db (max.) 189 mm Diameter of housing abutment
ra (max.) 2 mm Radius of shaft or housing fillet
rb (max.) 2 mm Radius of shaft or housing fillet

Abutment and Fillet Dimensions

Mass approx. 5.35 kg Mass approx.

Similar to product

NF222M