NF228W
MORE +
CLOSE +

NSK NF228W

Single-Row Cylindrical Roller Bearings

(BRAND):NSK
(Availability):In Stock

Detailed data of

NF228W

Designations

NF228W

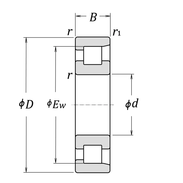
Boundary Dimensions

d 140 mm Bore diameter
D 250 mm Outside diameter
B 42 mm Width
EW 221 mm Raceway diameter of outer ring
r (min.) 3 mm Chamfer dimension
r1 (min.) 3 mm Chamfer dimension

Basic Load Ratings

Cr 365000 N Basic dynamic load rating
C0r 375000 N Basic static load rating

Speeds

Thermal Speed Rating (Oil-bath) 3400 min-1 Oil-bath lubrication subject to conditions outlined in ISO 15312
Grease 2000 min-1 Grease lubrication
Oil (Oil-bath) 2400 min-1 Oil-bath lubrication

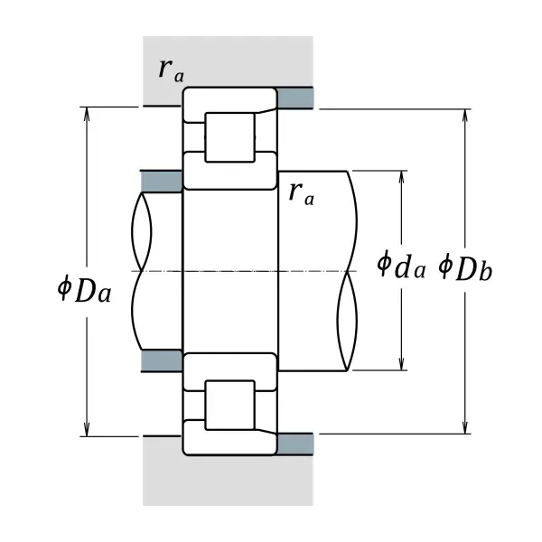
da (min.) 153 mm Diameter of shaft abutment
Db (min.) 226 mm Diameter of housing abutment
Da (max.) 237 mm Diameter of housing abutment
Db (max.) 237 mm Diameter of housing abutment
ra (max.) 2.5 mm Radius of shaft or housing fillet
rb (max.) 2.5 mm Radius of shaft or housing fillet

Abutment and Fillet Dimensions

Mass approx. 8.35 kg Mass approx.

Similar to product

NF228W