NF315W
MORE +
CLOSE +

NSK NF315W

Single-Row Cylindrical Roller Bearings

(BRAND):NSK
(Availability):In Stock

Detailed data of

NF315W

Designations

NF315W

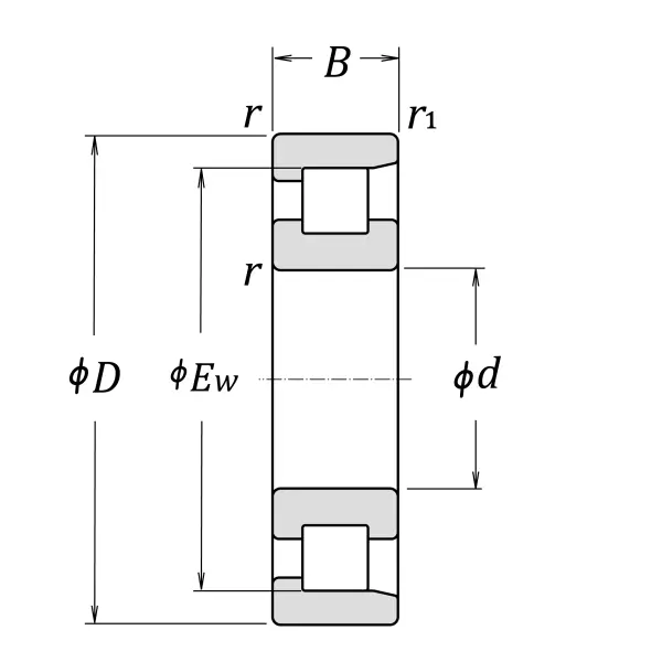
Boundary Dimensions

d 75 mm Bore diameter
D 160 mm Outside diameter
B 37 mm Width
EW 139.5 mm Raceway diameter of outer ring
r (min.) 2.1 mm Chamfer dimension
r1 (min.) 2.1 mm Chamfer dimension

Basic Load Ratings

Cr 220000 N Basic dynamic load rating
C0r 189000 N Basic static load rating

Speeds

Thermal Speed Rating (Oil-bath) 5000 min-1 Oil-bath lubrication subject to conditions outlined in ISO 15312
Grease 3000 min-1 Grease lubrication
Oil (Oil-bath) 3800 min-1 Oil-bath lubrication

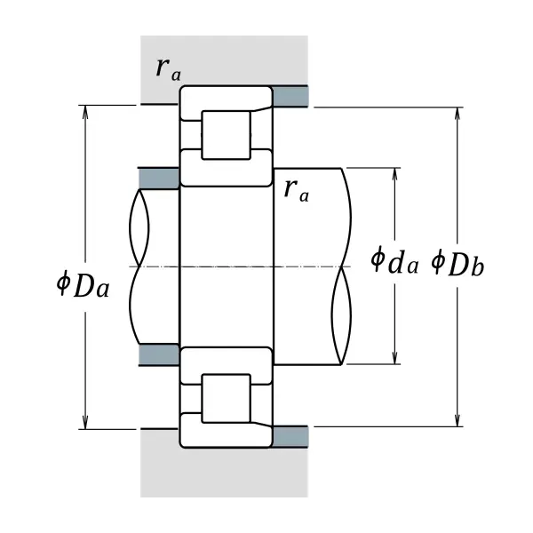
da (min.) 86 mm Diameter of shaft abutment
Db (min.) 143 mm Diameter of housing abutment
Da (max.) 149 mm Diameter of housing abutment
Db (max.) 149 mm Diameter of housing abutment
ra (max.) 2 mm Radius of shaft or housing fillet
rb (max.) 2 mm Radius of shaft or housing fillet

Abutment and Fillet Dimensions

Mass approx. 3.33 kg Mass approx.

Similar to product

NF315W