NJ212ET
MORE +
CLOSE +

NSK NJ212ET

Single-Row Cylindrical Roller Bearings

(BRAND):NSK
(Availability):In Stock

Detailed data of

NJ212ET

Designations

NJ212ET

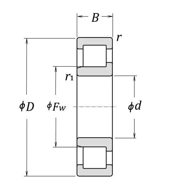
Boundary Dimensions

d 60 mm Bore diameter
D 110 mm Outside diameter
B 22 mm Width
FW 72 mm Raceway diameter of inner ring
r (min.) 1.5 mm Chamfer dimension
r1 (min.) 1.5 mm Chamfer dimension

Basic Load Ratings

Cr 120000 N Basic dynamic load rating
C0r 107000 N Basic static load rating

Speeds

Thermal Speed Rating (Oil-bath) 6300 min-1 Oil-bath lubrication subject to conditions outlined in ISO 15312
Mechanical (forced-circulation oil) 7500 min-1 Properly designed and controlled forced-circulation oil lubrication
Grease 5300 min-1 Grease lubrication
Oil (Oil-bath) 6300 min-1 Oil-bath lubrication

db (min.) 68 mm Diameter of shaft / spacer sleeve abutment
db (max.) 70 mm Diameter of shaft / spacer sleeve abutment
dd (min.) 80 mm Diameter of shaft abutment
Da (max.) 102 mm Diameter of housing abutment
ra (max.) 1.5 mm Radius of shaft or housing fillet

Abutment and Fillet Dimensions

Mass approx. 0.825 kg Mass approx.

Similar to product

NJ212ET