Home
Brand
SKF
IKO
INA
FAG
KOYO
TIMKEN
NSK
NTN
PRECISION BEARINGS
MCGILL
THK
About us
Contact us
News
Search
Home
>
Brand
>
NSK
>
Bearings
>
Roller Bearings
>
Cylindrical Roller Bearings
>
Single-Row Cylindrical Roller Bearings
NJ2208ET7
MORE +
CLOSE +
NSK NJ2208ET7
Single-Row Cylindrical Roller Bearings
(BRAND):NSK
(Availability):In Stock
(EMAIL):info@noksbearings.com
Detailed data of Product
similar to product
Detailed data of
NJ2208ET7
Single-Row Cylindrical Roller Bearings
Designations
NJ2208ET7
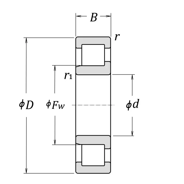
Boundary Dimensions
d
40
mm
Bore diameter
D
80
mm
Outside diameter
B
23
mm
Width
FW
49.5
mm
Raceway diameter of inner ring
r (min.)
1.1
mm
Chamfer dimension
r1 (min.)
1.1
mm
Chamfer dimension
Basic Load Ratings
Cr
89000
N
Basic dynamic load rating
C0r
77500
N
Basic static load rating
Speeds
Thermal Speed Rating (Oil-bath)
9000
min-1
Oil-bath lubrication subject to conditions outlined in ISO 15312
Mechanical (forced-circulation oil)
11000
min-1
Properly designed and controlled forced-circulation oil lubrication
Grease
7500
min-1
Grease lubrication
Oil (Oil-bath)
9000
min-1
Oil-bath lubrication
db (min.)
46.5
mm
Diameter of shaft / spacer sleeve abutment
db (max.)
48
mm
Diameter of shaft / spacer sleeve abutment
dd (min.)
56
mm
Diameter of shaft abutment
Da (max.)
73.5
mm
Diameter of housing abutment
ra (max.)
1
mm
Radius of shaft or housing fillet
Abutment and Fillet Dimensions
Mass approx.
0.495
kg
Mass approx.
Similar to product
NJ2208ET7
Single-Row Cylindrical Roller Bearings
NU1088
Shell
Single-Row Cylindrical Roller Bearings
Read More
N1092
Shell
Single-Row Cylindrical Roller Bearings
Read More
NU1092
Shell
Single-Row Cylindrical Roller Bearings
Read More
NUP1092
Shell
Single-Row Cylindrical Roller Bearings
Read More
N1096
Shell
Single-Row Cylindrical Roller Bearings
Read More
NJ1096
Shell
Single-Row Cylindrical Roller Bearings
Read More
NU1096
Shell
Single-Row Cylindrical Roller Bearings
Read More
N10/500
Shell
Single-Row Cylindrical Roller Bearings
Read More
NU10/500
Shell
Single-Row Cylindrical Roller Bearings
Read More
NJ252M
Shell
Single-Row Cylindrical Roller Bearings
Read More