NJ314W
MORE +
CLOSE +

NSK NJ314W

Single-Row Cylindrical Roller Bearings

(BRAND):NSK
(Availability):In Stock

Detailed data of

NJ314W

Designations

NJ314W

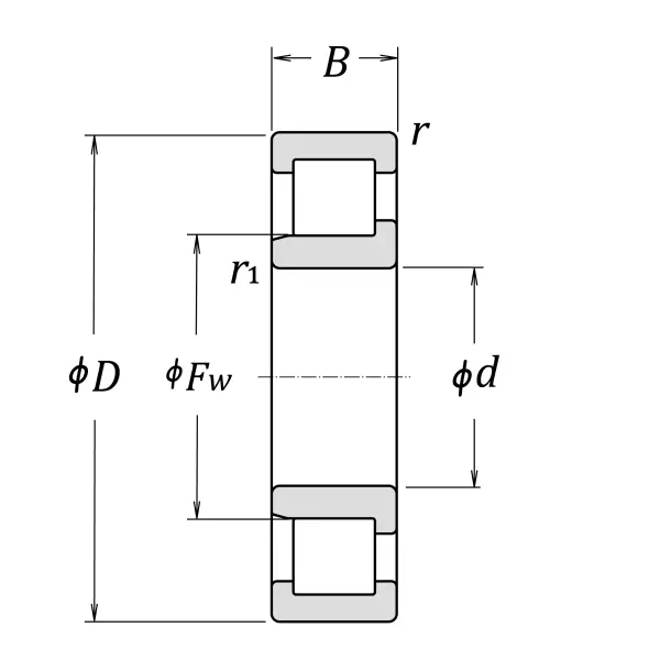
Boundary Dimensions

d 70 mm Bore diameter
D 150 mm Outside diameter
B 35 mm Width
FW 90 mm Raceway diameter of inner ring
r (min.) 2.1 mm Chamfer dimension
r1 (min.) 2.1 mm Chamfer dimension

Basic Load Ratings

Cr 195000 N Basic dynamic load rating
C0r 168000 N Basic static load rating

Speeds

Thermal Speed Rating (Oil-bath) 5300 min-1 Oil-bath lubrication subject to conditions outlined in ISO 15312
Grease 3200 min-1 Grease lubrication
Oil (Oil-bath) 4000 min-1 Oil-bath lubrication

db (min.) 81 mm Diameter of shaft / spacer sleeve abutment
db (max.) 87 mm Diameter of shaft / spacer sleeve abutment
dd (min.) 100 mm Diameter of shaft abutment
Da (max.) 139 mm Diameter of housing abutment
ra (max.) 2 mm Radius of shaft or housing fillet

Abutment and Fillet Dimensions

Mass approx. 2.84 kg Mass approx.

Similar to product

NJ314W