NU1005
MORE +
CLOSE +

NSK NU1005

Single-Row Cylindrical Roller Bearings

(BRAND):NSK
(Availability):In Stock

Detailed data of

NU1005

Designations

NU1005

Boundary Dimensions

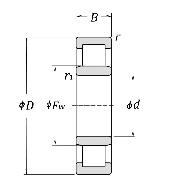
d 25 mm Bore diameter
D 47 mm Outside diameter
B 12 mm Width
FW 30.5 mm Raceway diameter of inner ring
r (min.) 0.6 mm Chamfer dimension
r1 (min.) 0.3 mm Chamfer dimension

Basic Load Ratings

Cr 17600 N Basic dynamic load rating
C0r 13100 N Basic static load rating

Speeds

Thermal Speed Rating (Oil-bath) 15000 min-1 Oil-bath lubrication subject to conditions outlined in ISO 15312
Grease 15000 min-1 Grease lubrication
Oil (Oil-bath) 18000 min-1 Oil-bath lubrication

db (min.) 27 mm Diameter of shaft / spacer sleeve abutment
db (max.) 30 mm Diameter of shaft / spacer sleeve abutment
dc (min.) 32 mm Diameter of shaft abutment
Da (max.) 43 mm Diameter of housing abutment
ra (max.) 0.6 mm Radius of shaft or housing fillet
rb (max.) 0.3 mm Radius of shaft or housing fillet

Abutment and Fillet Dimensions

Mass approx. 0.094 kg Mass approx.

Similar to product

NU1005