NU1010
MORE +
CLOSE +

NSK NU1010

Single-Row Cylindrical Roller Bearings

(BRAND):NSK
(Availability):In Stock

Detailed data of

NU1010

Designations

NU1010

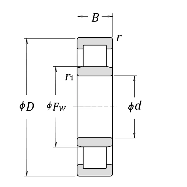
Boundary Dimensions

d 50 mm Bore diameter
D 80 mm Outside diameter
B 16 mm Width
FW 57.5 mm Raceway diameter of inner ring
r (min.) 1 mm Chamfer dimension
r1 (min.) 0.6 mm Chamfer dimension

Basic Load Ratings

Cr 39500 N Basic dynamic load rating
C0r 36000 N Basic static load rating

Speeds

Thermal Speed Rating (Oil-bath) 8500 min-1 Oil-bath lubrication subject to conditions outlined in ISO 15312
Grease 8000 min-1 Grease lubrication
Oil (Oil-bath) 10000 min-1 Oil-bath lubrication

db (min.) 54 mm Diameter of shaft / spacer sleeve abutment
db (max.) 56 mm Diameter of shaft / spacer sleeve abutment
dc (min.) 59 mm Diameter of shaft abutment
Da (max.) 75 mm Diameter of housing abutment
ra (max.) 1 mm Radius of shaft or housing fillet
rb (max.) 0.6 mm Radius of shaft or housing fillet

Abutment and Fillet Dimensions

Mass approx. 0.301 kg Mass approx.

Similar to product

NU1010