NU1014
MORE +
CLOSE +

NSK NU1014

Single-Row Cylindrical Roller Bearings

(BRAND):NSK
(Availability):In Stock

Detailed data of

NU1014

Designations

NU1014

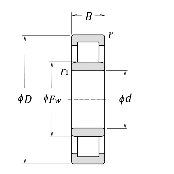
Boundary Dimensions

d 70 mm Bore diameter
D 110 mm Outside diameter
B 20 mm Width
FW 80 mm Raceway diameter of inner ring
r (min.) 1.1 mm Chamfer dimension
r1 (min.) 1 mm Chamfer dimension

Basic Load Ratings

Cr 71500 N Basic dynamic load rating
C0r 70500 N Basic static load rating

Speeds

Thermal Speed Rating (Oil-bath) 6300 min-1 Oil-bath lubrication subject to conditions outlined in ISO 15312
Grease 6000 min-1 Grease lubrication
Oil (Oil-bath) 7100 min-1 Oil-bath lubrication

db (min.) 75 mm Diameter of shaft / spacer sleeve abutment
db (max.) 79 mm Diameter of shaft / spacer sleeve abutment
dc (min.) 82 mm Diameter of shaft abutment
Da (max.) 103.5 mm Diameter of housing abutment
ra (max.) 1 mm Radius of shaft or housing fillet
rb (max.) 1 mm Radius of shaft or housing fillet

Abutment and Fillet Dimensions

Mass approx. 0.688 kg Mass approx.

Similar to product

NU1014