NU1028
MORE +
CLOSE +

NSK NU1028

Single-Row Cylindrical Roller Bearings

(BRAND):NSK
(Availability):In Stock

Detailed data of

NU1028

Designations

NU1028

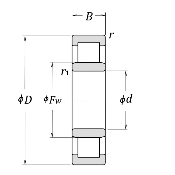
Boundary Dimensions

d 140 mm Bore diameter
D 210 mm Outside diameter
B 33 mm Width
FW 158 mm Raceway diameter of inner ring
r (min.) 2 mm Chamfer dimension
r1 (min.) 1.1 mm Chamfer dimension

Basic Load Ratings

Cr 216000 N Basic dynamic load rating
C0r 250000 N Basic static load rating

Speeds

Thermal Speed Rating (Oil-bath) 3800 min-1 Oil-bath lubrication subject to conditions outlined in ISO 15312
Grease 3000 min-1 Grease lubrication
Oil (Oil-bath) 3600 min-1 Oil-bath lubrication

db (min.) 146.5 mm Diameter of shaft / spacer sleeve abutment
db (max.) 156 mm Diameter of shaft / spacer sleeve abutment
dc (min.) 161 mm Diameter of shaft abutment
Da (max.) 201 mm Diameter of housing abutment
ra (max.) 2 mm Radius of shaft or housing fillet
rb (max.) 1 mm Radius of shaft or housing fillet

Abutment and Fillet Dimensions

Mass approx. 3.87 kg Mass approx.

Similar to product

NU1028