NU1048
MORE +
CLOSE +

NSK NU1048

Single-Row Cylindrical Roller Bearings

(BRAND):NSK
(Availability):In Stock
(EMAIL):info@noksbearings.com

Detailed data of

NU1048

Designations

NU1048

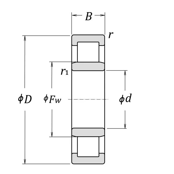
Boundary Dimensions

d 240 mm Bore diameter
D 360 mm Outside diameter
B 56 mm Width
FW 270 mm Raceway diameter of inner ring
r (min.) 3 mm Chamfer dimension
r1 (min.) 3 mm Chamfer dimension

Basic Load Ratings

Cr 650000 N Basic dynamic load rating
C0r 820000 N Basic static load rating

Speeds

Thermal Speed Rating (Oil-bath) 2200 min-1 Oil-bath lubrication subject to conditions outlined in ISO 15312
Grease 1600 min-1 Grease lubrication
Oil (Oil-bath) 2000 min-1 Oil-bath lubrication

db (min.) 253 mm Diameter of shaft / spacer sleeve abutment
db (max.) 266 mm Diameter of shaft / spacer sleeve abutment
dc (min.) 275 mm Diameter of shaft abutment
Da (max.) 347 mm Diameter of housing abutment
ra (max.) 2.5 mm Radius of shaft or housing fillet
rb (max.) 2.5 mm Radius of shaft or housing fillet

Abutment and Fillet Dimensions

Mass approx. 19.5 kg Mass approx.

Similar to product

NU1048