NU2204W
MORE +
CLOSE +

NSK NU2204W

Single-Row Cylindrical Roller Bearings

(BRAND):NSK
(Availability):In Stock

Detailed data of

NU2204W

Designations

NU2204W

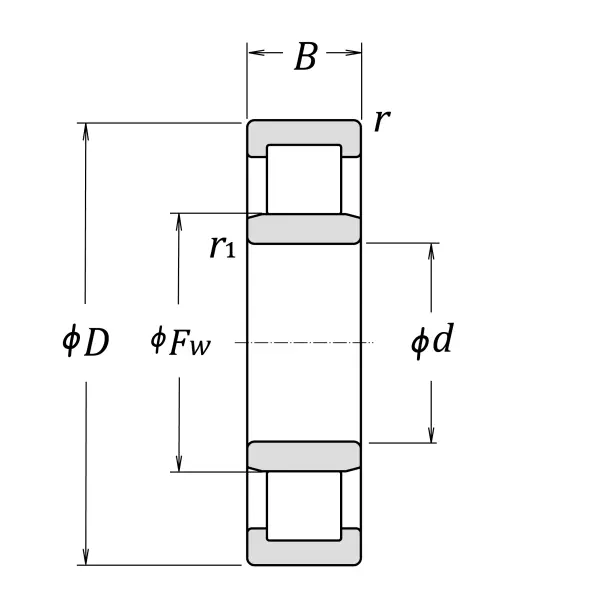
Boundary Dimensions

d 20 mm Bore diameter
D 47 mm Outside diameter
B 18 mm Width
FW 27 mm Raceway diameter of inner ring
r (min.) 1 mm Chamfer dimension
r1 (min.) 0.6 mm Chamfer dimension

Basic Load Ratings

Cr 25400 N Basic dynamic load rating
C0r 18400 N Basic static load rating

Speeds

Thermal Speed Rating (Oil-bath) 19000 min-1 Oil-bath lubrication subject to conditions outlined in ISO 15312
Grease 11000 min-1 Grease lubrication
Oil (Oil-bath) 13000 min-1 Oil-bath lubrication

db (min.) 24 mm Diameter of shaft / spacer sleeve abutment
db (max.) 25 mm Diameter of shaft / spacer sleeve abutment
dc (min.) 29 mm Diameter of shaft abutment
Da (max.) 42 mm Diameter of housing abutment
ra (max.) 1 mm Radius of shaft or housing fillet
rb (max.) 0.6 mm Radius of shaft or housing fillet

Abutment and Fillet Dimensions

Mass approx. 0.144 kg Mass approx.

Similar to product

NU2204W