NU2208ET
MORE +
CLOSE +

NSK NU2208ET

Single-Row Cylindrical Roller Bearings

(BRAND):NSK
(Availability):In Stock

Detailed data of

NU2208ET

Designations

NU2208ET

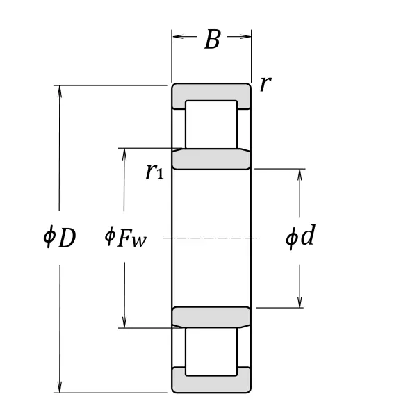
Boundary Dimensions

d 40 mm Bore diameter
D 80 mm Outside diameter
B 23 mm Width
FW 49.5 mm Raceway diameter of inner ring
r (min.) 1.1 mm Chamfer dimension
r1 (min.) 1.1 mm Chamfer dimension

Basic Load Ratings

Cr 89000 N Basic dynamic load rating
C0r 77500 N Basic static load rating

Speeds

Thermal Speed Rating (Oil-bath) 9000 min-1 Oil-bath lubrication subject to conditions outlined in ISO 15312
Mechanical (forced-circulation oil) 11000 min-1 Properly designed and controlled forced-circulation oil lubrication
Grease 7500 min-1 Grease lubrication
Oil (Oil-bath) 9000 min-1 Oil-bath lubrication

db (min.) 46.5 mm Diameter of shaft / spacer sleeve abutment
db (max.) 48 mm Diameter of shaft / spacer sleeve abutment
dc (min.) 52 mm Diameter of shaft abutment
Da (max.) 73.5 mm Diameter of housing abutment
ra (max.) 1 mm Radius of shaft or housing fillet
rb (max.) 1 mm Radius of shaft or housing fillet

Abutment and Fillet Dimensions

Mass approx. 0.48 kg Mass approx.

Similar to product

NU2208ET