NU2211ET
MORE +
CLOSE +

NSK NU2211ET

Single-Row Cylindrical Roller Bearings

(BRAND):NSK
(Availability):In Stock

Detailed data of

NU2211ET

Designations

NU2211ET

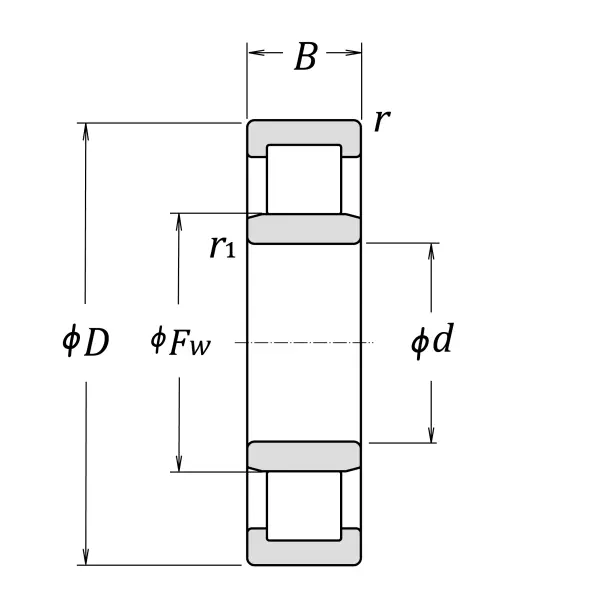
Boundary Dimensions

d 55 mm Bore diameter
D 100 mm Outside diameter
B 25 mm Width
FW 66 mm Raceway diameter of inner ring
r (min.) 1.5 mm Chamfer dimension
r1 (min.) 1.1 mm Chamfer dimension

Basic Load Ratings

Cr 125000 N Basic dynamic load rating
C0r 122000 N Basic static load rating

Speeds

Thermal Speed Rating (Oil-bath) 6700 min-1 Oil-bath lubrication subject to conditions outlined in ISO 15312
Mechanical (forced-circulation oil) 8500 min-1 Properly designed and controlled forced-circulation oil lubrication
Grease 5600 min-1 Grease lubrication
Oil (Oil-bath) 7100 min-1 Oil-bath lubrication

db (min.) 61.5 mm Diameter of shaft / spacer sleeve abutment
db (max.) 64 mm Diameter of shaft / spacer sleeve abutment
dc (min.) 68 mm Diameter of shaft abutment
Da (max.) 92 mm Diameter of housing abutment
ra (max.) 1.5 mm Radius of shaft or housing fillet
rb (max.) 1 mm Radius of shaft or housing fillet

Abutment and Fillet Dimensions

Mass approx. 0.782 kg Mass approx.

Similar to product

NU2211ET