NU2309ET7
MORE +
CLOSE +

NSK NU2309ET7

Single-Row Cylindrical Roller Bearings

(BRAND):NSK
(Availability):In Stock

Detailed data of

NU2309ET7

Designations

NU2309ET7

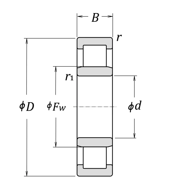
Boundary Dimensions

d 45 mm Bore diameter
D 100 mm Outside diameter
B 36 mm Width
FW 58.5 mm Raceway diameter of inner ring
r (min.) 1.5 mm Chamfer dimension
r1 (min.) 1.5 mm Chamfer dimension

Basic Load Ratings

Cr 169000 N Basic dynamic load rating
C0r 153000 N Basic static load rating

Speeds

Thermal Speed Rating (Oil-bath) 7100 min-1 Oil-bath lubrication subject to conditions outlined in ISO 15312
Mechanical (forced-circulation oil) 9000 min-1 Properly designed and controlled forced-circulation oil lubrication
Grease 5300 min-1 Grease lubrication
Oil (Oil-bath) 6700 min-1 Oil-bath lubrication

db (min.) 53 mm Diameter of shaft / spacer sleeve abutment
db (max.) 56 mm Diameter of shaft / spacer sleeve abutment
dc (min.) 60 mm Diameter of shaft abutment
Da (max.) 92 mm Diameter of housing abutment
ra (max.) 1.5 mm Radius of shaft or housing fillet
rb (max.) 1.5 mm Radius of shaft or housing fillet

Abutment and Fillet Dimensions

Mass approx. 1.28 kg Mass approx.

Similar to product

NU2309ET7