NU2311ET
MORE +
CLOSE +

NSK NU2311ET

Single-Row Cylindrical Roller Bearings

(BRAND):NSK
(Availability):In Stock

Detailed data of

NU2311ET

Designations

NU2311ET

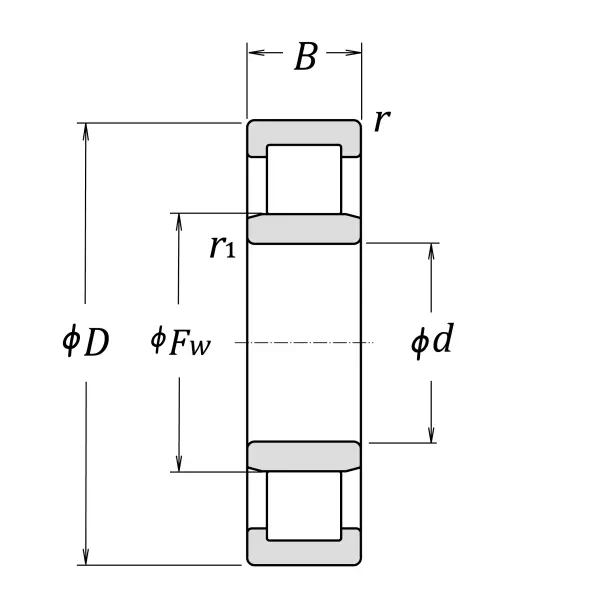
Boundary Dimensions

d 55 mm Bore diameter
D 120 mm Outside diameter
B 43 mm Width
FW 70.5 mm Raceway diameter of inner ring
r (min.) 2 mm Chamfer dimension
r1 (min.) 2 mm Chamfer dimension

Basic Load Ratings

Cr 247000 N Basic dynamic load rating
C0r 233000 N Basic static load rating

Speeds

Thermal Speed Rating (Oil-bath) 6000 min-1 Oil-bath lubrication subject to conditions outlined in ISO 15312
Mechanical (forced-circulation oil) 7500 min-1 Properly designed and controlled forced-circulation oil lubrication
Grease 4500 min-1 Grease lubrication
Oil (Oil-bath) 5600 min-1 Oil-bath lubrication

db (min.) 64 mm Diameter of shaft / spacer sleeve abutment
db (max.) 68 mm Diameter of shaft / spacer sleeve abutment
dc (min.) 72 mm Diameter of shaft abutment
Da (max.) 111 mm Diameter of housing abutment
ra (max.) 2 mm Radius of shaft or housing fillet
rb (max.) 2 mm Radius of shaft or housing fillet

Abutment and Fillet Dimensions

Mass approx. 2.18 kg Mass approx.

Similar to product

NU2311ET