Home
Brand
SKF
IKO
INA
FAG
KOYO
TIMKEN
NSK
NTN
PRECISION BEARINGS
MCGILL
THK
About us
Contact us
News
Search
Home
>
Brand
>
NSK
>
Bearings
>
Roller Bearings
>
Cylindrical Roller Bearings
>
Single-Row Cylindrical Roller Bearings
NU307ET
MORE +
CLOSE +
NSK NU307ET
Single-Row Cylindrical Roller Bearings
(BRAND):NSK
(Availability):In Stock
(EMAIL):info@noksbearings.com
Detailed data of Product
similar to product
Detailed data of
NU307ET
Single-Row Cylindrical Roller Bearings
Designations
NU307ET
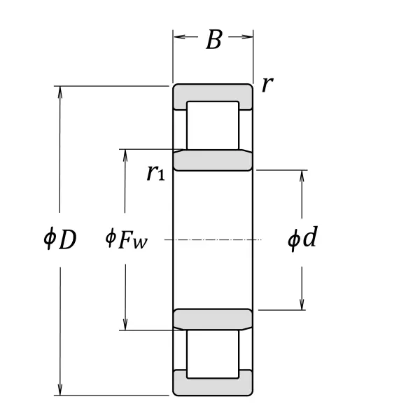
Boundary Dimensions
d
35
mm
Bore diameter
D
80
mm
Outside diameter
B
21
mm
Width
FW
46.2
mm
Raceway diameter of inner ring
r (min.)
1.5
mm
Chamfer dimension
r1 (min.)
1.1
mm
Chamfer dimension
Basic Load Ratings
Cr
82000
N
Basic dynamic load rating
C0r
65500
N
Basic static load rating
Speeds
Thermal Speed Rating (Oil-bath)
8500
min-1
Oil-bath lubrication subject to conditions outlined in ISO 15312
Mechanical (forced-circulation oil)
11000
min-1
Properly designed and controlled forced-circulation oil lubrication
Grease
7500
min-1
Grease lubrication
Oil (Oil-bath)
9500
min-1
Oil-bath lubrication
db (min.)
41.5
mm
Diameter of shaft / spacer sleeve abutment
db (max.)
45
mm
Diameter of shaft / spacer sleeve abutment
dc (min.)
48
mm
Diameter of shaft abutment
Da (max.)
72
mm
Diameter of housing abutment
ra (max.)
1.5
mm
Radius of shaft or housing fillet
rb (max.)
1
mm
Radius of shaft or housing fillet
Abutment and Fillet Dimensions
Mass approx.
0.477
kg
Mass approx.
Similar to product
NU307ET
Single-Row Cylindrical Roller Bearings
NU1088
Shell
Single-Row Cylindrical Roller Bearings
Read More
N1092
Shell
Single-Row Cylindrical Roller Bearings
Read More
NU1092
Shell
Single-Row Cylindrical Roller Bearings
Read More
NUP1092
Shell
Single-Row Cylindrical Roller Bearings
Read More
N1096
Shell
Single-Row Cylindrical Roller Bearings
Read More
NJ1096
Shell
Single-Row Cylindrical Roller Bearings
Read More
NU1096
Shell
Single-Row Cylindrical Roller Bearings
Read More
N10/500
Shell
Single-Row Cylindrical Roller Bearings
Read More
NU10/500
Shell
Single-Row Cylindrical Roller Bearings
Read More
NJ252M
Shell
Single-Row Cylindrical Roller Bearings
Read More