NU312W
MORE +
CLOSE +

NSK NU312W

Single-Row Cylindrical Roller Bearings

(BRAND):NSK
(Availability):In Stock

Detailed data of

NU312W

Designations

NU312W

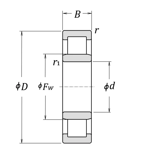
Boundary Dimensions

d 60 mm Bore diameter
D 130 mm Outside diameter
B 31 mm Width
FW 77 mm Raceway diameter of inner ring
r (min.) 2.1 mm Chamfer dimension
r1 (min.) 2.1 mm Chamfer dimension

Basic Load Ratings

Cr 152000 N Basic dynamic load rating
C0r 126000 N Basic static load rating

Speeds

Thermal Speed Rating (Oil-bath) 6000 min-1 Oil-bath lubrication subject to conditions outlined in ISO 15312
Grease 3800 min-1 Grease lubrication
Oil (Oil-bath) 4500 min-1 Oil-bath lubrication

db (min.) 71 mm Diameter of shaft / spacer sleeve abutment
db (max.) 75 mm Diameter of shaft / spacer sleeve abutment
dc (min.) 79 mm Diameter of shaft abutment
Da (max.) 119 mm Diameter of housing abutment
ra (max.) 2 mm Radius of shaft or housing fillet
rb (max.) 2 mm Radius of shaft or housing fillet

Abutment and Fillet Dimensions

Mass approx. 1.82 kg Mass approx.

Similar to product

NU312W