NU315ET7
MORE +
CLOSE +

NSK NU315ET7

Single-Row Cylindrical Roller Bearings

(BRAND):NSK
(Availability):In Stock

Detailed data of

NU315ET7

Designations

NU315ET7

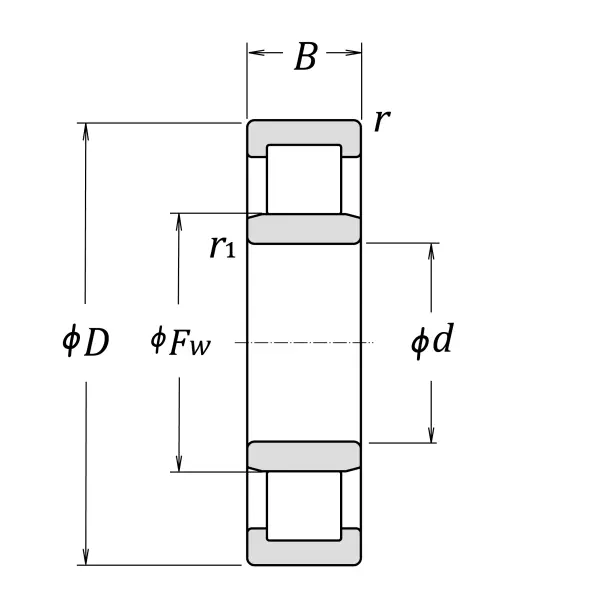
Boundary Dimensions

d 75 mm Bore diameter
D 160 mm Outside diameter
B 37 mm Width
FW 95 mm Raceway diameter of inner ring
r (min.) 2.1 mm Chamfer dimension
r1 (min.) 2.1 mm Chamfer dimension

Basic Load Ratings

Cr 295000 N Basic dynamic load rating
C0r 263000 N Basic static load rating

Speeds

Thermal Speed Rating (Oil-bath) 4500 min-1 Oil-bath lubrication subject to conditions outlined in ISO 15312
Mechanical (forced-circulation oil) 5600 min-1 Properly designed and controlled forced-circulation oil lubrication
Grease 3800 min-1 Grease lubrication
Oil (Oil-bath) 4800 min-1 Oil-bath lubrication

db (min.) 86 mm Diameter of shaft / spacer sleeve abutment
db (max.) 92 mm Diameter of shaft / spacer sleeve abutment
dc (min.) 97 mm Diameter of shaft abutment
Da (max.) 149 mm Diameter of housing abutment
ra (max.) 2 mm Radius of shaft or housing fillet
rb (max.) 2 mm Radius of shaft or housing fillet

Abutment and Fillet Dimensions

Mass approx. 3.26 kg Mass approx.

Similar to product

NU315ET7