NU316ET7
MORE +
CLOSE +

NSK NU316ET7

Single-Row Cylindrical Roller Bearings

(BRAND):NSK
(Availability):In Stock

Detailed data of

NU316ET7

Designations

NU316ET7

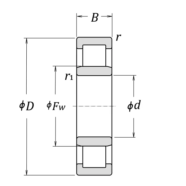
Boundary Dimensions

d 80 mm Bore diameter
D 170 mm Outside diameter
B 39 mm Width
FW 101 mm Raceway diameter of inner ring
r (min.) 2.1 mm Chamfer dimension
r1 (min.) 2.1 mm Chamfer dimension

Basic Load Ratings

Cr 315000 N Basic dynamic load rating
C0r 282000 N Basic static load rating

Speeds

Thermal Speed Rating (Oil-bath) 4300 min-1 Oil-bath lubrication subject to conditions outlined in ISO 15312
Mechanical (forced-circulation oil) 5300 min-1 Properly designed and controlled forced-circulation oil lubrication
Grease 3600 min-1 Grease lubrication
Oil (Oil-bath) 4300 min-1 Oil-bath lubrication

db (min.) 91 mm Diameter of shaft / spacer sleeve abutment
db (max.) 98 mm Diameter of shaft / spacer sleeve abutment
dc (min.) 105 mm Diameter of shaft abutment
Da (max.) 159 mm Diameter of housing abutment
ra (max.) 2 mm Radius of shaft or housing fillet
rb (max.) 2 mm Radius of shaft or housing fillet

Abutment and Fillet Dimensions

Mass approx. 3.86 kg Mass approx.

Similar to product

NU316ET7