NU318W
MORE +
CLOSE +

NSK NU318W

Single-Row Cylindrical Roller Bearings

(BRAND):NSK
(Availability):In Stock

Detailed data of

NU318W

Designations

NU318W

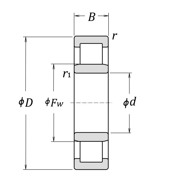
Boundary Dimensions

d 90 mm Bore diameter
D 190 mm Outside diameter
B 43 mm Width
FW 115 mm Raceway diameter of inner ring
r (min.) 3 mm Chamfer dimension
r1 (min.) 3 mm Chamfer dimension

Basic Load Ratings

Cr 295000 N Basic dynamic load rating
C0r 265000 N Basic static load rating

Speeds

Thermal Speed Rating (Oil-bath) 4500 min-1 Oil-bath lubrication subject to conditions outlined in ISO 15312
Grease 2600 min-1 Grease lubrication
Oil (Oil-bath) 3000 min-1 Oil-bath lubrication

db (min.) 103 mm Diameter of shaft / spacer sleeve abutment
db (max.) 112 mm Diameter of shaft / spacer sleeve abutment
dc (min.) 117 mm Diameter of shaft abutment
Da (max.) 177 mm Diameter of housing abutment
ra (max.) 2.5 mm Radius of shaft or housing fillet
rb (max.) 2.5 mm Radius of shaft or housing fillet

Abutment and Fillet Dimensions

Mass approx. 5.39 kg Mass approx.

Similar to product

NU318W