NU330EM
MORE +
CLOSE +

NSK NU330EM

Single-Row Cylindrical Roller Bearings

(BRAND):NSK
(Availability):In Stock

Detailed data of

NU330EM

Designations

NU330EM

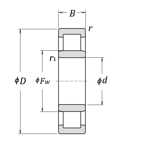
Boundary Dimensions

d 150 mm Bore diameter
D 320 mm Outside diameter
B 65 mm Width
FW 193 mm Raceway diameter of inner ring
r (min.) 4 mm Chamfer dimension
r1 (min.) 4 mm Chamfer dimension

Basic Load Ratings

Cr 930000 N Basic dynamic load rating
C0r 920000 N Basic static load rating

Speeds

Thermal Speed Rating (Oil-bath) 2200 min-1 Oil-bath lubrication subject to conditions outlined in ISO 15312
Mechanical (forced-circulation oil) 3800 min-1 Properly designed and controlled forced-circulation oil lubrication
Grease 1800 min-1 Grease lubrication
Oil (Oil-bath) 2200 min-1 Oil-bath lubrication

db (min.) 166 mm Diameter of shaft / spacer sleeve abutment
db (max.) 188 mm Diameter of shaft / spacer sleeve abutment
dc (min.) 195 mm Diameter of shaft abutment
Da (max.) 304 mm Diameter of housing abutment
ra (max.) 3 mm Radius of shaft or housing fillet
rb (max.) 3 mm Radius of shaft or housing fillet

Abutment and Fillet Dimensions

Mass approx. 26.6 kg Mass approx.

Similar to product

NU330EM