NUP1080
MORE +
CLOSE +

NSK NUP1080

Single-Row Cylindrical Roller Bearings

(BRAND):NSK
(Availability):In Stock
(EMAIL):info@noksbearings.com

Detailed data of

NUP1080

Designations

NUP1080

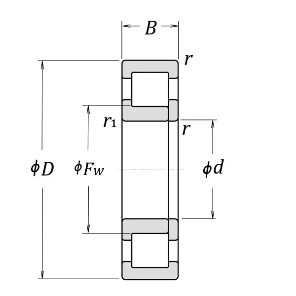
Boundary Dimensions

d 400 mm Bore diameter
D 600 mm Outside diameter
B 90 mm Width
FW 450 mm Raceway diameter of inner ring
r (min.) 5 mm Chamfer dimension
r1 (min.) 5 mm Chamfer dimension

Basic Load Ratings

Cr 1670000 N Basic dynamic load rating
C0r 2280000 N Basic static load rating

Speeds

Thermal Speed Rating (Oil-bath) 1100 min-1 Oil-bath lubrication subject to conditions outlined in ISO 15312
Grease 900 min-1 Grease lubrication
Oil (Oil-bath) 1100 min-1 Oil-bath lubrication

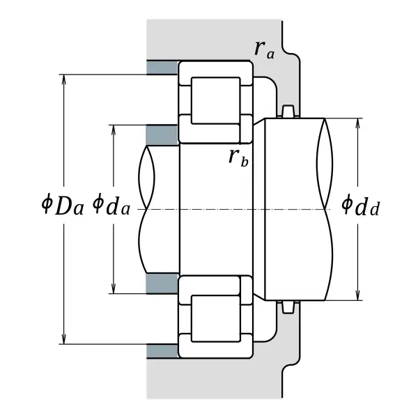
da (min.) 420 mm Diameter of shaft abutment
Da (max.) 580 mm Diameter of housing abutment
ra (max.) 4 mm Radius of shaft or housing fillet
rb (max.) 4 mm Radius of shaft or housing fillet

Abutment and Fillet Dimensions

Mass approx. 93.3 kg Mass approx.

Similar to product

NUP1080