NUP209ET7
MORE +
CLOSE +

NSK NUP209ET7

Single-Row Cylindrical Roller Bearings

(BRAND):NSK
(Availability):In Stock

Detailed data of

NUP209ET7

Designations

NUP209ET7

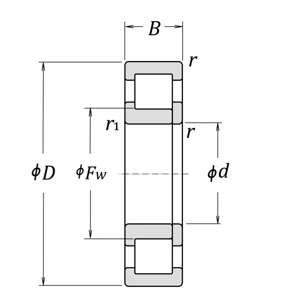
Boundary Dimensions

d 45 mm Bore diameter
D 85 mm Outside diameter
B 19 mm Width
FW 54.5 mm Raceway diameter of inner ring
r (min.) 1.1 mm Chamfer dimension
r1 (min.) 1.1 mm Chamfer dimension

Basic Load Ratings

Cr 77500 N Basic dynamic load rating
C0r 66500 N Basic static load rating

Speeds

Thermal Speed Rating (Oil-bath) 8500 min-1 Oil-bath lubrication subject to conditions outlined in ISO 15312
Mechanical (forced-circulation oil) 10000 min-1 Properly designed and controlled forced-circulation oil lubrication
Grease 6700 min-1 Grease lubrication
Oil (Oil-bath) 8000 min-1 Oil-bath lubrication

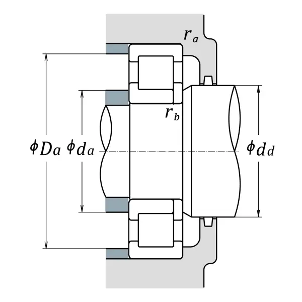
da (min.) 51.5 mm Diameter of shaft abutment
dd (min.) 61 mm Diameter of shaft abutment
Da (max.) 78.5 mm Diameter of housing abutment
ra (max.) 1 mm Radius of shaft or housing fillet
rb (max.) 1 mm Radius of shaft or housing fillet

Abutment and Fillet Dimensions

Mass approx. 0.45 kg Mass approx.

Similar to product

NUP209ET7