NUP210ET7
MORE +
CLOSE +

NSK NUP210ET7

Single-Row Cylindrical Roller Bearings

(BRAND):NSK
(Availability):In Stock

Detailed data of

NUP210ET7

Designations

NUP210ET7

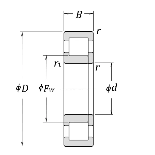
Boundary Dimensions

d 50 mm Bore diameter
D 90 mm Outside diameter
B 20 mm Width
FW 59.5 mm Raceway diameter of inner ring
r (min.) 1.1 mm Chamfer dimension
r1 (min.) 1.1 mm Chamfer dimension

Basic Load Ratings

Cr 85000 N Basic dynamic load rating
C0r 76500 N Basic static load rating

Speeds

Thermal Speed Rating (Oil-bath) 8000 min-1 Oil-bath lubrication subject to conditions outlined in ISO 15312
Mechanical (forced-circulation oil) 9000 min-1 Properly designed and controlled forced-circulation oil lubrication
Grease 6300 min-1 Grease lubrication
Oil (Oil-bath) 7500 min-1 Oil-bath lubrication

da (min.) 56.5 mm Diameter of shaft abutment
dd (min.) 67 mm Diameter of shaft abutment
Da (max.) 83.5 mm Diameter of housing abutment
ra (max.) 1 mm Radius of shaft or housing fillet
rb (max.) 1 mm Radius of shaft or housing fillet

Abutment and Fillet Dimensions

Mass approx. 0.515 kg Mass approx.

Similar to product

NUP210ET7