NUP212ET7
MORE +
CLOSE +

NSK NUP212ET7

Single-Row Cylindrical Roller Bearings

(BRAND):NSK
(Availability):In Stock

Detailed data of

NUP212ET7

Designations

NUP212ET7

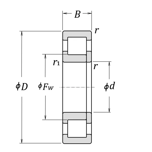
Boundary Dimensions

d 60 mm Bore diameter
D 110 mm Outside diameter
B 22 mm Width
FW 72 mm Raceway diameter of inner ring
r (min.) 1.5 mm Chamfer dimension
r1 (min.) 1.5 mm Chamfer dimension

Basic Load Ratings

Cr 120000 N Basic dynamic load rating
C0r 107000 N Basic static load rating

Speeds

Thermal Speed Rating (Oil-bath) 6300 min-1 Oil-bath lubrication subject to conditions outlined in ISO 15312
Mechanical (forced-circulation oil) 7500 min-1 Properly designed and controlled forced-circulation oil lubrication
Grease 5300 min-1 Grease lubrication
Oil (Oil-bath) 6300 min-1 Oil-bath lubrication

da (min.) 68 mm Diameter of shaft abutment
dd (min.) 80 mm Diameter of shaft abutment
Da (max.) 102 mm Diameter of housing abutment
ra (max.) 1.5 mm Radius of shaft or housing fillet
rb (max.) 1.5 mm Radius of shaft or housing fillet

Abutment and Fillet Dimensions

Mass approx. 0.851 kg Mass approx.

Similar to product

NUP212ET7