NUP213ET7
MORE +
CLOSE +

NSK NUP213ET7

Single-Row Cylindrical Roller Bearings

(BRAND):NSK
(Availability):In Stock

Detailed data of

NUP213ET7

Designations

NUP213ET7

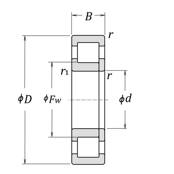
Boundary Dimensions

d 65 mm Bore diameter
D 120 mm Outside diameter
B 23 mm Width
FW 78.5 mm Raceway diameter of inner ring
r (min.) 1.5 mm Chamfer dimension
r1 (min.) 1.5 mm Chamfer dimension

Basic Load Ratings

Cr 132000 N Basic dynamic load rating
C0r 119000 N Basic static load rating

Speeds

Thermal Speed Rating (Oil-bath) 6000 min-1 Oil-bath lubrication subject to conditions outlined in ISO 15312
Mechanical (forced-circulation oil) 7100 min-1 Properly designed and controlled forced-circulation oil lubrication
Grease 4800 min-1 Grease lubrication
Oil (Oil-bath) 5600 min-1 Oil-bath lubrication

da (min.) 73 mm Diameter of shaft abutment
dd (min.) 87 mm Diameter of shaft abutment
Da (max.) 112 mm Diameter of housing abutment
ra (max.) 1.5 mm Radius of shaft or housing fillet
rb (max.) 1.5 mm Radius of shaft or housing fillet

Abutment and Fillet Dimensions

Mass approx. 1.08 kg Mass approx.

Similar to product

NUP213ET7