NUP217EM
MORE +
CLOSE +

NSK NUP217EM

Single-Row Cylindrical Roller Bearings

(BRAND):NSK
(Availability):In Stock

Detailed data of

NUP217EM

Designations

NUP217EM

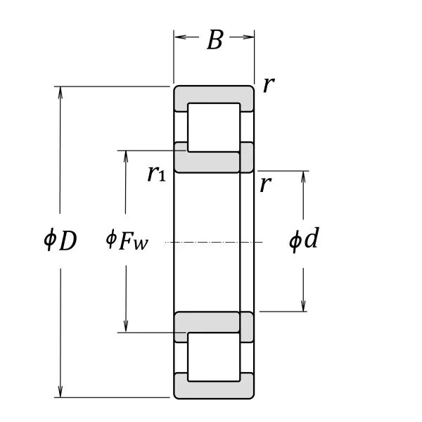
Boundary Dimensions

d 85 mm Bore diameter
D 150 mm Outside diameter
B 28 mm Width
FW 100.5 mm Raceway diameter of inner ring
r (min.) 2 mm Chamfer dimension
r1 (min.) 2 mm Chamfer dimension

Basic Load Ratings

Cr 206000 N Basic dynamic load rating
C0r 199000 N Basic static load rating

Speeds

Thermal Speed Rating (Oil-bath) 4800 min-1 Oil-bath lubrication subject to conditions outlined in ISO 15312
Mechanical (forced-circulation oil) 7500 min-1 Properly designed and controlled forced-circulation oil lubrication
Grease 4300 min-1 Grease lubrication
Oil (Oil-bath) 5000 min-1 Oil-bath lubrication

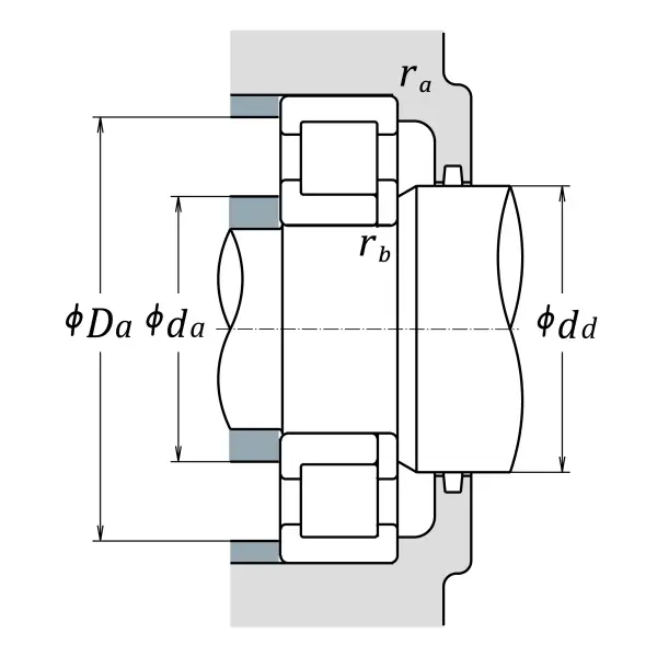
da (min.) 94 mm Diameter of shaft abutment
dd (min.) 110 mm Diameter of shaft abutment
Da (max.) 141 mm Diameter of housing abutment
ra (max.) 2 mm Radius of shaft or housing fillet
rb (max.) 2 mm Radius of shaft or housing fillet

Abutment and Fillet Dimensions

Mass approx. 2.19 kg Mass approx.

Similar to product

NUP217EM