Home
Brand
SKF
IKO
INA
FAG
KOYO
TIMKEN
NSK
NTN
PRECISION BEARINGS
MCGILL
THK
About us
Contact us
News
Search
Home
>
Brand
>
NSK
>
Bearings
>
Roller Bearings
>
Cylindrical Roller Bearings
>
Single-Row Cylindrical Roller Bearings
NUP217ET
MORE +
CLOSE +
NSK NUP217ET
Single-Row Cylindrical Roller Bearings
(BRAND):NSK
(Availability):In Stock
(EMAIL):info@noksbearings.com
Detailed data of Product
similar to product
Detailed data of
NUP217ET
Single-Row Cylindrical Roller Bearings
Designations
NUP217ET
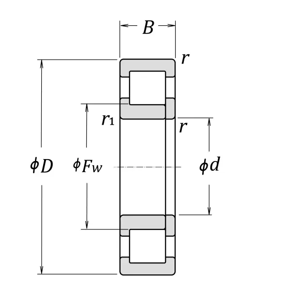
Boundary Dimensions
d
85
mm
Bore diameter
D
150
mm
Outside diameter
B
28
mm
Width
FW
100.5
mm
Raceway diameter of inner ring
r (min.)
2
mm
Chamfer dimension
r1 (min.)
2
mm
Chamfer dimension
Basic Load Ratings
Cr
206000
N
Basic dynamic load rating
C0r
199000
N
Basic static load rating
Speeds
Thermal Speed Rating (Oil-bath)
4800
min-1
Oil-bath lubrication subject to conditions outlined in ISO 15312
Mechanical (forced-circulation oil)
5600
min-1
Properly designed and controlled forced-circulation oil lubrication
Grease
4300
min-1
Grease lubrication
Oil (Oil-bath)
5000
min-1
Oil-bath lubrication
da (min.)
94
mm
Diameter of shaft abutment
dd (min.)
110
mm
Diameter of shaft abutment
Da (max.)
141
mm
Diameter of housing abutment
ra (max.)
2
mm
Radius of shaft or housing fillet
rb (max.)
2
mm
Radius of shaft or housing fillet
Abutment and Fillet Dimensions
Mass approx.
1.95
kg
Mass approx.
Similar to product
NUP217ET
Single-Row Cylindrical Roller Bearings
NU1088
Shell
Single-Row Cylindrical Roller Bearings
Read More
N1092
Shell
Single-Row Cylindrical Roller Bearings
Read More
NU1092
Shell
Single-Row Cylindrical Roller Bearings
Read More
NUP1092
Shell
Single-Row Cylindrical Roller Bearings
Read More
N1096
Shell
Single-Row Cylindrical Roller Bearings
Read More
NJ1096
Shell
Single-Row Cylindrical Roller Bearings
Read More
NU1096
Shell
Single-Row Cylindrical Roller Bearings
Read More
N10/500
Shell
Single-Row Cylindrical Roller Bearings
Read More
NU10/500
Shell
Single-Row Cylindrical Roller Bearings
Read More
NJ252M
Shell
Single-Row Cylindrical Roller Bearings
Read More