NUP221EM
MORE +
CLOSE +

NSK NUP221EM

Single-Row Cylindrical Roller Bearings

(BRAND):NSK
(Availability):In Stock

Detailed data of

NUP221EM

Designations

NUP221EM

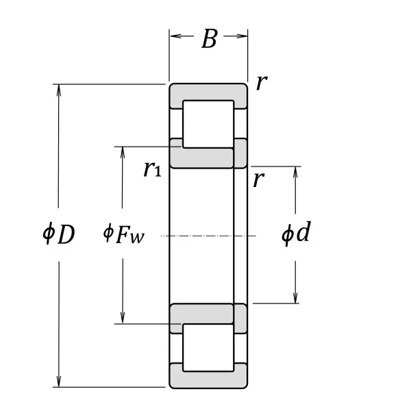
Boundary Dimensions

d 105 mm Bore diameter
D 190 mm Outside diameter
B 36 mm Width
FW 125 mm Raceway diameter of inner ring
r (min.) 2.1 mm Chamfer dimension
r1 (min.) 2.1 mm Chamfer dimension

Basic Load Ratings

Cr 320000 N Basic dynamic load rating
C0r 310000 N Basic static load rating

Speeds

Thermal Speed Rating (Oil-bath) 4300 min-1 Oil-bath lubrication subject to conditions outlined in ISO 15312
Mechanical (forced-circulation oil) 6000 min-1 Properly designed and controlled forced-circulation oil lubrication
Grease 3400 min-1 Grease lubrication
Oil (Oil-bath) 4000 min-1 Oil-bath lubrication

da (min.) 116 mm Diameter of shaft abutment
dd (min.) 137 mm Diameter of shaft abutment
Da (max.) 179 mm Diameter of housing abutment
ra (max.) 2 mm Radius of shaft or housing fillet
rb (max.) 2 mm Radius of shaft or housing fillet

Abutment and Fillet Dimensions

Mass approx. 4.67 kg Mass approx.

Similar to product

NUP221EM