NUP2238EM
MORE +
CLOSE +

NSK NUP2238EM

Single-Row Cylindrical Roller Bearings

(BRAND):NSK
(Availability):In Stock

Detailed data of

NUP2238EM

Designations

NUP2238EM

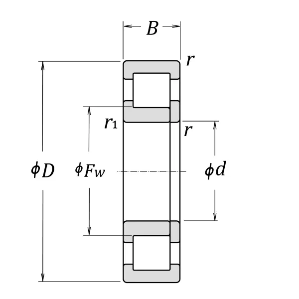
Boundary Dimensions

d 190 mm Bore diameter
D 340 mm Outside diameter
B 92 mm Width
FW 228 mm Raceway diameter of inner ring
r (min.) 4 mm Chamfer dimension
r1 (min.) 4 mm Chamfer dimension

Basic Load Ratings

Cr 1360000 N Basic dynamic load rating
C0r 1670000 N Basic static load rating

Speeds

Thermal Speed Rating (Oil-bath) 1900 min-1 Oil-bath lubrication subject to conditions outlined in ISO 15312
Mechanical (forced-circulation oil) 3000 min-1 Properly designed and controlled forced-circulation oil lubrication
Grease 1600 min-1 Grease lubrication
Oil (Oil-bath) 2000 min-1 Oil-bath lubrication

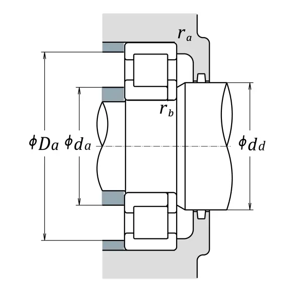
da (min.) 206 mm Diameter of shaft abutment
dd (min.) 247 mm Diameter of shaft abutment
Da (max.) 324 mm Diameter of housing abutment
ra (max.) 3 mm Radius of shaft or housing fillet
rb (max.) 3 mm Radius of shaft or housing fillet

Abutment and Fillet Dimensions

Mass approx. 39.2 kg Mass approx.

Similar to product

NUP2238EM