NUP2319EM
MORE +
CLOSE +

NSK NUP2319EM

Single-Row Cylindrical Roller Bearings

(BRAND):NSK
(Availability):In Stock

Detailed data of

NUP2319EM

Designations

NUP2319EM

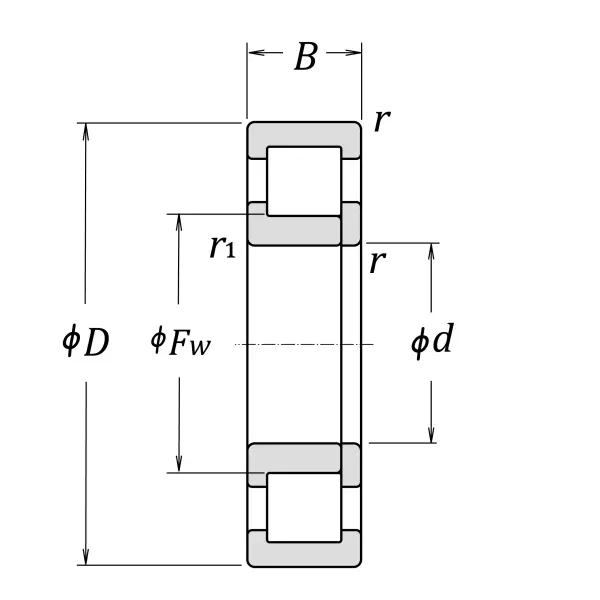
Boundary Dimensions

d 95 mm Bore diameter
D 200 mm Outside diameter
B 67 mm Width
FW 121.5 mm Raceway diameter of inner ring
r (min.) 3 mm Chamfer dimension
r1 (min.) 3 mm Chamfer dimension

Basic Load Ratings

Cr 565000 N Basic dynamic load rating
C0r 585000 N Basic static load rating

Speeds

Thermal Speed Rating (Oil-bath) 3800 min-1 Oil-bath lubrication subject to conditions outlined in ISO 15312
Mechanical (forced-circulation oil) 5300 min-1 Properly designed and controlled forced-circulation oil lubrication
Grease 2600 min-1 Grease lubrication
Oil (Oil-bath) 3400 min-1 Oil-bath lubrication

da (min.) 108 mm Diameter of shaft abutment
dd (min.) 134 mm Diameter of shaft abutment
Da (max.) 187 mm Diameter of housing abutment
ra (max.) 2.5 mm Radius of shaft or housing fillet
rb (max.) 2.5 mm Radius of shaft or housing fillet

Abutment and Fillet Dimensions

Mass approx. 11 kg Mass approx.

Similar to product

NUP2319EM