NUP2338EM
MORE +
CLOSE +

NSK NUP2338EM

Single-Row Cylindrical Roller Bearings

(BRAND):NSK
(Availability):In Stock

Detailed data of

NUP2338EM

Designations

NUP2338EM

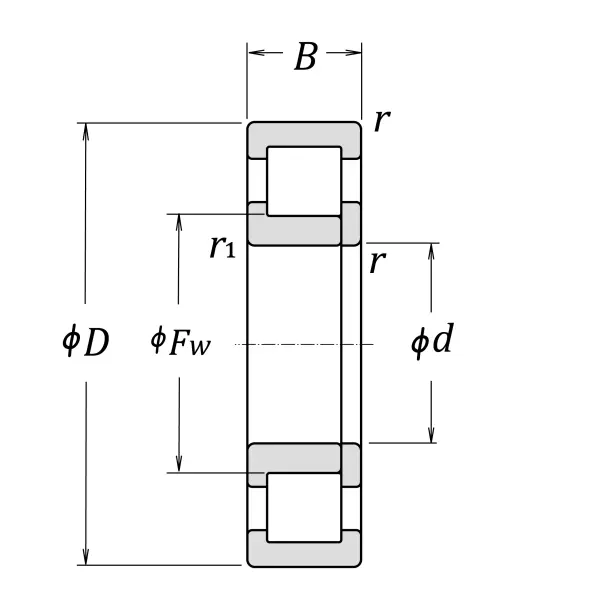
Boundary Dimensions

d 190 mm Bore diameter
D 400 mm Outside diameter
B 132 mm Width
FW 240 mm Raceway diameter of inner ring
r (min.) 5 mm Chamfer dimension
r1 (min.) 5 mm Chamfer dimension

Basic Load Ratings

Cr 2170000 N Basic dynamic load rating
C0r 2520000 N Basic static load rating

Speeds

Thermal Speed Rating (Oil-bath) 1400 min-1 Oil-bath lubrication subject to conditions outlined in ISO 15312
Mechanical (forced-circulation oil) 2000 min-1 Properly designed and controlled forced-circulation oil lubrication
Grease 1300 min-1 Grease lubrication
Oil (Oil-bath) 1600 min-1 Oil-bath lubrication

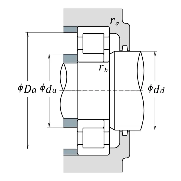
da (min.) 210 mm Diameter of shaft abutment
dd (min.) 268 mm Diameter of shaft abutment
Da (max.) 380 mm Diameter of housing abutment
ra (max.) 4 mm Radius of shaft or housing fillet
rb (max.) 4 mm Radius of shaft or housing fillet

Abutment and Fillet Dimensions

Mass approx. 88.1 kg Mass approx.

Similar to product

NUP2338EM