NUP2340EM
MORE +
CLOSE +

NSK NUP2340EM

Single-Row Cylindrical Roller Bearings

(BRAND):NSK
(Availability):In Stock

Detailed data of

NUP2340EM

Designations

NUP2340EM

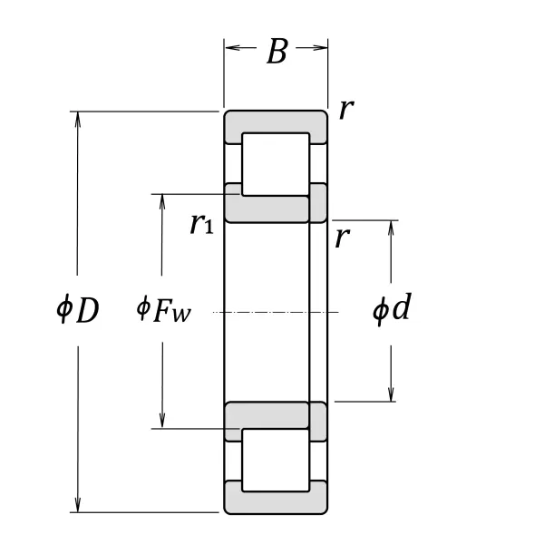
Boundary Dimensions

d 200 mm Bore diameter
D 420 mm Outside diameter
B 138 mm Width
FW 253 mm Raceway diameter of inner ring
r (min.) 5 mm Chamfer dimension
r1 (min.) 5 mm Chamfer dimension

Basic Load Ratings

Cr 2350000 N Basic dynamic load rating
C0r 2760000 N Basic static load rating

Speeds

Thermal Speed Rating (Oil-bath) 1300 min-1 Oil-bath lubrication subject to conditions outlined in ISO 15312
Mechanical (forced-circulation oil) 1900 min-1 Properly designed and controlled forced-circulation oil lubrication
Grease 1200 min-1 Grease lubrication
Oil (Oil-bath) 1500 min-1 Oil-bath lubrication

da (min.) 220 mm Diameter of shaft abutment
dd (min.) 283 mm Diameter of shaft abutment
Da (max.) 400 mm Diameter of housing abutment
ra (max.) 4 mm Radius of shaft or housing fillet
rb (max.) 4 mm Radius of shaft or housing fillet

Abutment and Fillet Dimensions

Mass approx. 102 kg Mass approx.

Similar to product

NUP2340EM