Home
Brand
SKF
IKO
INA
FAG
KOYO
TIMKEN
NSK
NTN
PRECISION BEARINGS
MCGILL
THK
About us
Contact us
News
Search
Home
>
Brand
>
NSK
>
Bearings
>
Roller Bearings
>
Cylindrical Roller Bearings
>
Single-Row Cylindrical Roller Bearings
NUP238EM
MORE +
CLOSE +
NSK NUP238EM
Single-Row Cylindrical Roller Bearings
(BRAND):NSK
(Availability):In Stock
(EMAIL):info@noksbearings.com
REQUEST A QUOTE
Detailed data of Product
similar to product
Detailed data of
NUP238EM
Single-Row Cylindrical Roller Bearings
Designations
NUP238EM
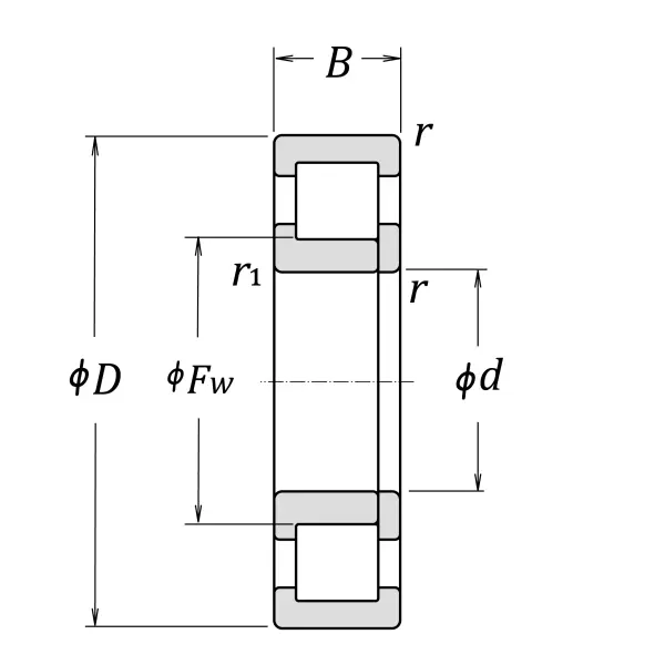
Boundary Dimensions
d
190
mm
Bore diameter
D
340
mm
Outside diameter
B
55
mm
Width
FW
230
mm
Raceway diameter of inner ring
r (min.)
4
mm
Chamfer dimension
r1 (min.)
4
mm
Chamfer dimension
Basic Load Ratings
Cr
855000
N
Basic dynamic load rating
C0r
955000
N
Basic static load rating
Speeds
Thermal Speed Rating (Oil-bath)
2000
min-1
Oil-bath lubrication subject to conditions outlined in ISO 15312
Mechanical (forced-circulation oil)
3400
min-1
Properly designed and controlled forced-circulation oil lubrication
Grease
1800
min-1
Grease lubrication
Oil (Oil-bath)
2200
min-1
Oil-bath lubrication
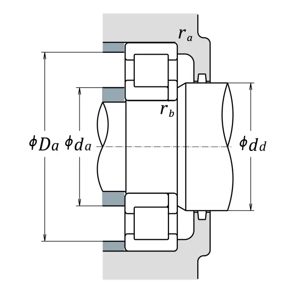
da (min.)
206
mm
Diameter of shaft abutment
dd (min.)
247
mm
Diameter of shaft abutment
Da (max.)
324
mm
Diameter of housing abutment
ra (max.)
3
mm
Radius of shaft or housing fillet
rb (max.)
3
mm
Radius of shaft or housing fillet
Abutment and Fillet Dimensions
Mass approx.
23.4
kg
Mass approx.
Similar to product
NUP238EM
Single-Row Cylindrical Roller Bearings
NU1088
Shell
Single-Row Cylindrical Roller Bearings
Read More
N1092
Shell
Single-Row Cylindrical Roller Bearings
Read More
NU1092
Shell
Single-Row Cylindrical Roller Bearings
Read More
NUP1092
Shell
Single-Row Cylindrical Roller Bearings
Read More
N1096
Shell
Single-Row Cylindrical Roller Bearings
Read More
NJ1096
Shell
Single-Row Cylindrical Roller Bearings
Read More
NU1096
Shell
Single-Row Cylindrical Roller Bearings
Read More
N10/500
Shell
Single-Row Cylindrical Roller Bearings
Read More
NU10/500
Shell
Single-Row Cylindrical Roller Bearings
Read More
NJ252M
Shell
Single-Row Cylindrical Roller Bearings
Read More