NUP305EW
MORE +
CLOSE +

NSK NUP305EW

Single-Row Cylindrical Roller Bearings

(BRAND):NSK
(Availability):In Stock

Detailed data of

NUP305EW

Designations

NUP305EW

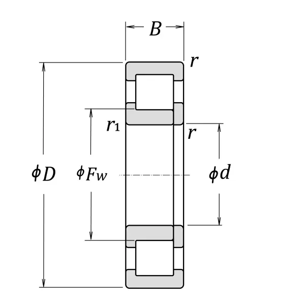
Boundary Dimensions

d 25 mm Bore diameter
D 62 mm Outside diameter
B 17 mm Width
FW 34 mm Raceway diameter of inner ring
r (min.) 1.1 mm Chamfer dimension
r1 (min.) 1.1 mm Chamfer dimension

Basic Load Ratings

Cr 51000 N Basic dynamic load rating
C0r 37500 N Basic static load rating

Speeds

Thermal Speed Rating (Oil-bath) 11000 min-1 Oil-bath lubrication subject to conditions outlined in ISO 15312
Mechanical (forced-circulation oil) 18000 min-1 Properly designed and controlled forced-circulation oil lubrication
Grease 10000 min-1 Grease lubrication
Oil (Oil-bath) 12000 min-1 Oil-bath lubrication

da (min.) 31.5 mm Diameter of shaft abutment
dd (min.) 40 mm Diameter of shaft abutment
Da (max.) 55.5 mm Diameter of housing abutment
ra (max.) 1 mm Radius of shaft or housing fillet
rb (max.) 1 mm Radius of shaft or housing fillet

Abutment and Fillet Dimensions

Mass approx. 0.254 kg Mass approx.

Similar to product

NUP305EW